15 V or ±5 V, Single-Channel, SPI Compatible, 256 Position Digital Potentiometer
Analog Devices
RSS
Sample
- Darmowa próbka
- MPN:
- AD5260
- Producent:
- ANALOG DEVICES
- Dodany do bazy:
- Ostatnio widziany:
- Zmiana ceny:
- -100% (22.01.2025)
- Poprzednia cena:
- 2.45
Sugerowane produkty dla ad5262
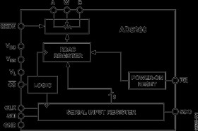
The AD5260 and AD5262 are 1- and 2-channel, 256 position, SPI interface digitally controlled, variable resistor (VR) devices. These parts operate from either a single +5 V to +15 V supply or a dual ±5 V supply, extending terminal voltage adjustment to these supply voltages. (Most industry digital potentiometers are limited to a 5 V operating range). These devices perform the same electronic adjustment function as a potentiometer or variable resistor while offering solid-state reliability and electronic packaging compactness. These devices are offered in the thin 1.1 mm height TSSOP 14- and 16-lead surface mount packages.
* AD5262 – 2-Channel (Independently Programmable)
* Potentiometer Replacement 20 kO, 50 kO, 200 kO
* 5 V to 15 V Single-Supply; ±5.5 V Dual-Supply Operation
Elecena nie prowadzi sprzedaży elementów elektronicznych, ani w niej nie pośredniczy.
Produkt pochodzi z oferty sklepu Analog Devices