elecena.pl

High Performance ISM Band ASK/FSK Transmitter IC

Analog Devices

High Performance ISM Band ASK/FSK Transmitter IC RSS Sample
  • Darmowa próbka
MPN:
ADF7901
Producent:
ANALOG DEVICES
Dodany do bazy:
Ostatnio widziany:

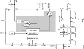
The ADF7901 is a low power OOK/FSK UHF transmitter designed for use in RF remote control devices. The device is capable of Frequency Shift Keying (FSK) modulation on eight different channels, selectable by three external control lines. OOK modulation is performed by modulating the PA control line.

The on-chip VCO operates at 2x the output frequency. The divide by 2 at the output of the VCO reduces the amount of PA feedthrough. As a result of this, OOK modulation depths of greater than 50dB are easily achievable.

The FSKADJ and ASKADJ resistors can be adjusted in the system to optimize output power for each modulation scheme. An additional 1.5dB of output power is provided for the lower bank of channels to adjust for antenna performance.

The CE line allows the transmitter to be powered down completely. In this mode the leakage current is typically 0.1µA.

* Single-chip, Low-power UHK Transmitter

* 369.5 MHz to 395.9 MHz Frequency Operation using Fractional-N PLL and Fully-integrated VCO

* 3.0 V Supply Voltage

* Data Rates Supported < 20 kbps

Elecena nie prowadzi sprzedaży elementów elektronicznych, ani w niej nie pośredniczy.

Produkt pochodzi z oferty sklepu