elecena.pl

CMOS Low Voltage 2.5 Ω Dual SPDT Switch

Analog Devices

CMOS Low Voltage 2.5 Ω Dual SPDT Switch RSS Sample
  • Darmowa próbka
MPN:
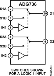
ADG736
Producent:
ANALOG DEVICES
Dodany do bazy:
Ostatnio widziany:
Zmiana ceny:
-100% (22.01.2025)
Poprzednia cena:
1.41

The ADG736 is a monolithic device comprising two independently selectable CMOS single pole, double throw (SPDT) switches. These switches are designed using a submicron process that provides low power dissipation yet gives high switching speed, low on resistance, low leakage currents, and wide input signal bandwidth.

The on resistance profile is very flat over the full analog signal range. This ensures excellent linearity and low distortion when switching audio signals. Fast switching speed also makes the part suitable for video signal switching.

The ADG736 operates from a single 1.8 V to 5.5 V supply, making it ideally suited to portable and battery-powered instruments.

Each switch conducts equally well in both directions when on, and each has an input signal range that extends to the power supplies. The ADG736 exhibits break-before-make switching action.

The ADG736 is available in a 10-lead MSOP package.

PRODUCT HIGHLIGHTS

* 1.8 V to 5.5 V Single-Supply Operation. The ADG736

offers high performance, including low on resistance and fast switching times. It is fully specified and guaranteed with 3 V and 5 V supply rails.

* Very Low RON (4.5 Ω Maximum at 5 V, 8 Ω Maximum at 3 V). At a supply voltage of 1.8 V, RON is typically 35 Ω over the temperature range.

* Low On Resistance Flatness.

* −3 dB Bandwidth > 200 MHz.

* Low Power Dissipation. CMOS construction ensures low power dissipation.

* Fast tON/tOFF.

* Break-Before-Make Switching Action.

* 10-Lead MSOP Package.

APPLICATIONS

* USB 1.1 signal switching circuits

* Cell phones

* PDAs

* Battery-powered systems

* Communications systems

* Sample-and-hold systems

* Audio signal routing

* Audio and video switching

* Mechanical reed relay replacement

* 1.8 V to 5.5 V single supply

* Automotive temperature range: −40°C to +125°C

* 2.5 Ω (typical) on resistance

* Low on resistance flatness

* −3 dB bandwidth > 200 MHz* Rail-to-rail operation10-lead

* 10-lead MSOP package

Elecena nie prowadzi sprzedaży elementów elektronicznych, ani w niej nie pośredniczy.

Produkt pochodzi z oferty sklepu