elecena.pl

Charge Pump Regulator for Color TFT Panel

Analog Devices

Charge Pump Regulator for Color TFT Panel RSS Sample
  • Darmowa próbka
MPN:
ADM8832
Producent:
ANALOG DEVICES
Dodany do bazy:
Ostatnio widziany:

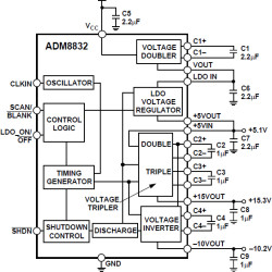
The ADM8832 is a charge pump regulator used for color thin film transistor (TFT) liquid crystal displays (LCD). Using charge pump technology, the device can be used to generate three output voltages (+5.1 V ±2%, +15.3 V, –10.2 V) from a single 3 V input supply. These outputs are then used to provide supplies for the LCD controller (+5.1 V) and the gate drives for the transistors in the panel (+15.3 V and –10.2 V). Only a few external capacitors are needed for the charge pumps. An efficient low dropout voltage regulator also ensures that the power efficiency is high and provides a low ripple 5.1 V output. This LDO can be shut down and an external LDO used to regulate the 5 V doubler output and drive the input to the charge pump section, which generates the +15.3 V and –10.2 V outputs if so required by the user.

The ADM8832 has an internal 100 kHz oscillator for use in scanning mode, but the part must be clocked by an external clock source in blanking (low current) mode. The internal oscillator is used to clock the charge pumps during scanning mode where the current is highest. During blanking periods, the ADM8832 switches to use an external, lower frequency clock. This allows the user to vary the frequency and maximize power efficiency during blanking periods. The tolerances on the output voltages are seamlessly maintained when switching from scanning mode to blanking mode or vice versa.

The ADM8832 has a number of power saving features, including low power shutdown and reduced quiescent current consumption during the blanking periods mentioned above. The 5.1 V output consumes the most power, so power efficiency is also maximized on this output with an oscillator enabling scheme (Green Idle™). This effectively senses the load current that is flowing and turns on the charge pump only when charge needs to be delivered to the 5 V pump doubler output.

The ADM8832 is fabricated using CMOS technology for minimal power consumption. The part is packaged in a 20-lead LFCSP (lead frame chip scale package).

Applications

* Handheld instruments

* TFT LCD panels

* Cellular phones

* 3 output voltages (+5.1 V, +15.3 V, -10.2 V) from one 3 V input supply

* Power efficiency optimized for use with TFT in mobile phones

* Low shutdown current (<1 µA)

* Low quiescent current

* Fast transient response

* Shutdown function

* Power saving during blanking period

* Option to use external ldo

Elecena nie prowadzi sprzedaży elementów elektronicznych, ani w niej nie pośredniczy.

Produkt pochodzi z oferty sklepu