elecena.pl

PWM, Step-Down DC-to-DC Controller with Margining and Tracking

Analog Devices

PWM, Step-Down DC-to-DC Controller with Margining and Tracking RSS Sample
  • Darmowa próbka
MPN:
ADP1822
Producent:
ANALOG DEVICES
Dodany do bazy:
Ostatnio widziany:
Zmiana ceny:
-100% (18.01.2025)
Poprzednia cena:
1.95

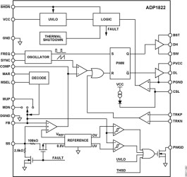
The ADP1822 is a versatile and inexpensive synchronous voltage-mode PWM step-down controller. It drives an all N-channel power stage to regulate an output voltage as low as 0.6 V.

The ADP1822 regulated output can track another power supply and can be dynamically adjusted up or down with the controller’s margining-control inputs, making it ideal for high reliability applications. It is well suited for a wide range of high power applications, such as DSP power and processor core power in telecommunications, medical imaging, high performance servers, and industrial applications. It operates from a 3.7 V to 5.5 V supply with power input voltage ranging from 1.0 V to 24 V.

The ADP1822 can operate at any frequency between 300 kHz and 1.2 MHz, either by synchronizing with an external source or an internally generated, logic-controlled clock of 300 kHz or 600 kHz. It includes an adjustable soft start to allow sequencing and quick power-up while preventing input inrush current. Output reverse-current protection at startup prevents excessive output voltage excursions. The adjustable, virtually lossless current-limit scheme reduces external part count and improves efficiency.

The ADP1822 operates over the −40°C to +125°C junction temperature range and is available in a 24-lead QSOP package.

APPLICATIONS

* Telecommunications and networking systems

* High performance servers

* Medical imaging systems

* DSP core power supplies

* Microprocessor core power supplies

* Mobile communication base stations

* Distributed power

* Wide power input voltage range: 1 V to 24 V

* Chip supply voltage range: 3.7 V to 5.5 V

* Wide output voltage range: 0.6 V to 85% of input voltage

* 1% accuracy, 0.6 V reference voltage

* Output voltage margining control

* Output voltage tracking

* All N-channel MOSFET

Elecena nie prowadzi sprzedaży elementów elektronicznych, ani w niej nie pośredniczy.

Produkt pochodzi z oferty sklepu