UPA-DS PC software ULTRA POWER for RIGOL oscilloscopes
reichelt elektronik
RSS
859.77 EUR3667.86 PLN
Przejdź do sklepu »
- Sklep zagraniczny
- MPN:
- UPA-DS
- Kod:
- 327514
- Producent:
- Rigol
- GTIN-13:
- 6973332402665
- Waluta:
- euro
- Dodany do bazy:
- Ostatnio widziany:
Sugerowane produkty dla ds6000
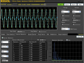
PC software ULTRA POWER Application for switching power supply measurement
RIGOL Ultra Power Analyzer is a software for RIGOL DS6000, MSO/DS4000 and MSO/DS2000A series digital oscilloscopes for analysis of switch mode power supplies (SMPS) . This software can be used under Windows XP, Windows 7, Windows 8 and Windows 10.
Product advantages:
Elecena nie prowadzi sprzedaży elementów elektronicznych, ani w niej nie pośredniczy.
Produkt pochodzi z oferty sklepu reichelt elektronik