elecena.pl

Quad Channel, 16-Bit, Serial Input, 4-20mA Output DAC, Dynamic Power Control, HART Connectivity

Analog Devices

Quad Channel, 16-Bit, Serial Input, 4-20mA Output DAC, Dynamic Power Control, HART Connectivity RSS Sample
  • Darmowa próbka
MPN:
AD5757
Producent:
ANALOG DEVICES
Dodany do bazy:
Ostatnio widziany:
Zmiana ceny:
-100% (22.01.2025)
Poprzednia cena:
16.07

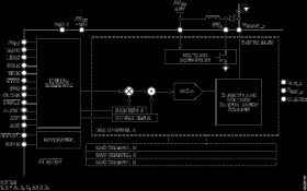
The AD5757 is a quad, current output DAC that operates with a power supply range from 10.8 V to 33 V. On-chip dynamic power control minimizes package power dissipation by regulating the voltage on the output driver from 7.4 V to 29.5 V, using a dc-to-dc boost converter optimized for minimum on-chip power dissipation.

Each channel has a corresponding CHART pin so that HART signals can be coupled onto the current output of the AD5757.

The part uses a versatile 3-wire serial interface that operates at clock rates of up to 30 MHz and is compatible with standard SPI, QSPI™, MICROWIRE™, DSP, and microcontroller interface standards. The interface also features optional CRC-8 packet error checking, as well as a watchdog timer that monitors activity on the interface.

Product Highlights

* Dynamic power control for thermal management.

* 16-bit performance.

* Multichannel.

* HART Compliant.

Applications

* Process control

* Actuator Control

* Programmable logic controllers (PLCs)

* HART Network Connectivity

* 16-bit resolution and monotonicity Dynamic power control for thermal management or external PMOS mode

* Current output ranges: 0 mA to 20 mA, 4 mA to 20 mA, or 0 mA to 24 mA

* ±0.05% total unadjusted error (TUE) maximum

* User programmable offset and gain On-chip diagnostics

* On-chip reference (±10 ppm/°C maximum)

* −40°C to +105°C temperature range

Elecena nie prowadzi sprzedaży elementów elektronicznych, ani w niej nie pośredniczy.

Produkt pochodzi z oferty sklepu