elecena.pl

Quad Channel, 16-Bit, Serial Input, 4 mA to 20 mA and Voltage Output DAC, Dynamic Power Control, HART Connectivity

Analog Devices

Quad Channel, 16-Bit, Serial Input, 4 mA to 20 mA and Voltage Output DAC, Dynamic Power Control, HART Connectivity RSS Sample
  • Darmowa próbka
MPN:
AD5755-1
Producent:
ANALOG DEVICES
Dodany do bazy:
Ostatnio widziany:
Zmiana ceny:
-100% (21.01.2025)
Poprzednia cena:
19.54

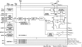
The AD5755-1 is a quad, voltage and current output digital-to-analog converter (DAC) that operates with a power supply range from −26.4 V to +33 V. On-chip dynamic power control minimizes package power dissipation in current mode. This is achieved by regulating the voltage on the output driver from 7.4 V to 29.5 V using a dc-to-dc boost converter optimized for minimum on-chip power dissipation. Each channel has a corresponding CHART pin so that HART signals can be coupled onto the current output of the AD5755-1.

The device uses a versatile 3-wire serial interface that operates at clock rates of up to 30 MHz and is compatible with standard SPI, QSPI™, MICROWIRE™, DSP, and microcontroller interface standards. The interface also features optional CRC-8 packet error checking, as well as a watchdog timer that monitors activity on the interface.

PRODUCT HIGHLIGHTS

* Dynamic power control for thermal management.

* 16-bit performance.

* Multichannel.

* HART compliant.

APPLICATIONS

* Process control

* Actuator control

* Programmable logic controllers (PLCs)

* HART network connectivity

* 16-bit resolution and monotonicity

* Dynamic power control for thermal management

* Current and voltage output pins connectable to a single terminal

* Current output ranges: 0 mA to 20 mA, 4 mA to 20 mA, or 0 mA to 24 mA

* ±0.05% total unadjusted error (TUE) maximum

Elecena nie prowadzi sprzedaży elementów elektronicznych, ani w niej nie pośredniczy.

Produkt pochodzi z oferty sklepu