elecena.pl

Enhanced 2:1 Port Selector for Serial ATA and Serial Attached SCSI

Analog Devices

Enhanced 2:1 Port Selector for Serial ATA and Serial Attached SCSI RSS Sample
  • Darmowa próbka
MPN:
VSC7177
Producent:
ANALOG DEVICES
Dodany do bazy:
Ostatnio widziany:

The VSC7177 is a Serial ATA and Serial Attached SCSI multiplier/buffer that implements a 2:1 port selector function for 1.5Gbps and 3.0Gbps links. This function is used when dual hosts, such as I/O controllers, must access single-port disk drives in high availability storage subsystems where redundancy and load sharing are important. The outputs from the I/O controllers are multiplexed to a Serial ATA or Serial Attached SCSI drive. The output from the Serial ATA drive is buffered and replicated to the I/O controllers. When switching from one I/O controller to the other, a Serial ATA link must be re-initialized with out-of-band (OOB) signals, which are transferred through the VSC7177 transparently. The VSC7177 provides high output swings, preemphasis, and programmable receiver sensitivity that are needed to drive long backplanes and external cables.

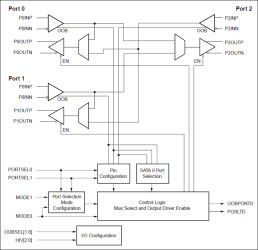
Port connectivity for the device can be configured using driving external I/O pins or through protocol-based port. See the block diagram on page 2 of the full data sheet.

To receive additional supporting documentation for this device, email

var name = "storage.support@";

var domain = "dalsemi.com";

document.write ("" + name + domain + "");

.

Applications

* Active-Passive Redundant Failover Systems * Buffers for Externally Connected Links * Disk-Based Backup Systems * Dual-Port Serial ATA and Serial Attached SCSI Disk Arrays (JBODs) * NAS Servers * RAID Subsystems * Serial ATA and Serial Attached SCSI Routing applications

* 2:1 Port Selector for Both Serial ATA (SATA) and Serial Attached SCSI (SAS) Links

* Serial ATA 1.0 Compliant at 1.5Gbps (3.0Gbps Capable)

* Sideband Port Selection

* Complies with Serial ATA II: Port Selector Specification 1.0, Including Failover Control

* Passes Serial ATA Patterns Transparently

* Programmable Receiver Sensitivity

* High Output Swing Mode with Preemphasis

* Compatible with Legacy Designs (VSC7173 and VSC7175); Provides Enhanced Connectivity and Signal Preemphasis

* 0.6W to 0.8W Power Dissipation (Depending on Operating Mode)

* 3.3V Power Supply

* 32-Pin, 7mm x 7mm QFP-N Package

Elecena nie prowadzi sprzedaży elementów elektronicznych, ani w niej nie pośredniczy.

Produkt pochodzi z oferty sklepu