elecena.pl

Spread-Spectrum Crystal Multiplier

Analog Devices

Spread-Spectrum Crystal Multiplier RSS Sample
  • Darmowa próbka
MPN:
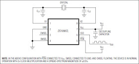
DS1080CL
Producent:
ANALOG DEVICES
Dodany do bazy:
Ostatnio widziany:

The DS1080CL is a low-jitter, crystal-based clock generator with an integrated phase-locked loop (PLL) to generate spread-spectrum clock outputs from 8MHz to 64MHz. The device is pin programmable to select the clock multiplier rate as well as the dither magnitude. The DS1080CL has a spread-spectrum disable mode and a power-down mode to conserve power.

* Generates Spread-Spectrum Clocks from 8MHz to 64MHz

* Selectable Clock Multiplier Rates of 1x, 2x, and 4x

* Center Spread-Spectrum Dithering

* Selectable Spread-Spectrum Modulation Magnitudes of ±0.5%, ±1.0%, and ±1.5%

* Spread-Spectrum Disable Mode

* Low Cycle-to-Cycle Jitter

* Power-Down Mode with High-Impedance Output

* Low-Power Consumption

* 3.0V to 3.6V Single-Supply Operation

* -40°C to +125°C Temperature Operation

* Small 8-Pin µSOP Package

Elecena nie prowadzi sprzedaży elementów elektronicznych, ani w niej nie pośredniczy.

Produkt pochodzi z oferty sklepu