elecena.pl

3.3V, 8-Bit, Programmable Timing Element

Analog Devices

3.3V, 8-Bit, Programmable Timing Element RSS Sample
  • Darmowa próbka
MPN:
DS1123L
Producent:
ANALOG DEVICES
Dodany do bazy:
Ostatnio widziany:

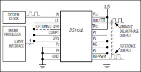
The DS1123L is an 8-bit programmable timing element similar in function to the DS1023, but operating at 3.3V. Like the DS1023, the DS1123L can delay signals up to a full period or more when used as a delay line, and an on-chip reference delay can be used to offset the inherent "step-zero" delay. This allows the DS1123L to shift a clock signal over the full 0 to 360° phase range. In addition to functioning as a delay line, it can be configured as a free-running oscillator or an externally triggered monostable vibrator.

Applications

* Digital Test Equipment * Digital Video Projection * Signal Generators and Analyzers * Telecommunications

* Step Sizes of 0.25ns, 0.5ns, 1ns, 2ns

* On-Chip Reference Delay

* Configurable as a Delay Line, Monostable Vibrator, or Free-Running Oscillator

* Can Delay Signals by a Full Period or More

* Guaranteed Monotonicity

* Parallel and 3-Wire Serial Programming Interface

* Single 3.3V Power Supply

* 16-pin TSSOP

Elecena nie prowadzi sprzedaży elementów elektronicznych, ani w niej nie pośredniczy.

Produkt pochodzi z oferty sklepu