Low-Power MicroMonitor Chip
Analog Devices
RSS
Sample
Przejdź do sklepu »
- Darmowa próbka
- MPN:
- DS1232LP
- Producent:
- ANALOG DEVICES
- Dodany do bazy:
- Ostatnio widziany:
- Zmiana ceny:
- -100% (18.01.2025)
- Poprzednia cena:
- 2.49
Sugerowane produkty dla ds1232
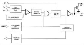
The DS1232LP/LPS Low-Power MicroMonitor Chip monitors three vital conditions for a microprocessor: power supply, software execution, and external override. First, a precision temperature-compensated reference and comparator circuit monitors the status of VCC. When an out-of-tolerance condition occurs, an internal power-fail signal is generated, which forces reset to the active state. When VCC returns to an in-tolerance condition, the reset signals are kept in the active state for a minimum of 250ms to allow the power supply and processor to stabilize.
Elecena nie prowadzi sprzedaży elementów elektronicznych, ani w niej nie pośredniczy.
Produkt pochodzi z oferty sklepu Analog Devices