elecena.pl

MicroManager

Analog Devices

MicroManager RSS Sample
  • Darmowa próbka
MPN:
DS1238
Producent:
ANALOG DEVICES
Dodany do bazy:
Ostatnio widziany:

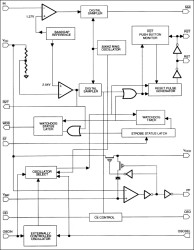
The DS1238 MicroManagers are functionally similar to the DS1236 but with pin-compatibility with the MAX691, MAX693, and MAX695 series. Additionally, the DS1238 allows for external timing control. These highly integrated monitors perform the following functions critical to microprocessor-controlled systems:

* A precision temperature-compensated reference and comparator continuously monitor the system power supply. If Vcc levels breach threshold tolerance, an internal power-fail signal is generated which activates reset. When power returns to tolerance, the DS1238 holds reset for a minimum of 50ms (typically 100ms) while the power supply and processor stabilize. Optional threshold levels are available: the DS1238-5 and DS1238A-5 for resets at ±5% of a 5V supply; and the DS1238-10 and DS1238A-10 for ±10% of a 5V supply.

* The watchdog timer circuitry monitors software execution. If a strobe input is not driven low prior to user-set timeouts the timer forces a processor reset.

* The DS1238 enables external override by debouncing the pushbutton input. A minimum active reset pulse width is provided.

* An on-chip switch directs SRAM power between Vcc or an external battery, whichever is greater. This switched supply can also back up a CMOS microprocessor.

* To enable write protection upon the detection of a power-fail condition, the chip enable output is held to within 0.3V Vcc or to within 0.7V of battery input.

* Alternative oscillator control pins provide either external or internal clock timing for both the reset pulse width and the watchdog timeout period.

DS1238 MicroManagers are complete system monitors for SRAM, microprocessor software, and systems power. They provide power-on reset for smooth microprocessor reboots, convert CMOS SRAM to nonvolatile operation, and provide flexible timing controls. The extensive integration of functionality ensures reliable operation in battery-backed, processor-controlled systems while reducing component count, saving power, simplifying board layout, and saving cost and space.

* Power fail detect with referenced comparator, NMI:

* Warns microprocessor of an impending power failure

* Holds microprocessor in check during power transients

* Halts and restarts an out-of-control microprocessor

* Provides orderly shutdown in nonvolatile microprocessor applications

* Invokes sleep mode

* Pushbutton reset:

* Monitors pushbutton for external override

* Controls external power switch for high-current applications

* Controls low-power stop mode in battery operated hand-held applications

* Watchdog timer

* 5V operation with active high and low resets:

* ±5% of 5V (DS1238-5, DS1238A-5)

* ±10% of 5V (DS1238, DS1238A)

* Battery switch:

* Converts CMOS SRAM into nonvolatile memory

* Control pins gate to external power switch for high-current applications

* CE control:

* Unconditionally write-protects memory when power supply is out of tolerance

* Optional freshness mode (DS1238) seals battery until first power-on

* Consumes less than 200nA of battery current at 25°C

* Operating ranges:

* DS1238, DS1238A: 0°C to +70°C

* DS1238-IND, DS1238A-IND: -40°C to +85°C

* Pin-for-pin compatibility with MAX691, MAX693, MAX695

* Optional internal or external timing control

Elecena nie prowadzi sprzedaży elementów elektronicznych, ani w niej nie pośredniczy.

Produkt pochodzi z oferty sklepu