elecena.pl

Optical Microcontroller

Analog Devices

Optical Microcontroller RSS Sample
  • Darmowa próbka
MPN:
DS4830A
Producent:
ANALOG DEVICES
Dodany do bazy:
Ostatnio widziany:
Zmiana ceny:
-100% (20.01.2025)
Poprzednia cena:
4.33

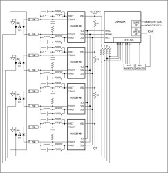
The DS4830A is a low-power, 16-bit microcontroller with a unique peripheral set supporting optical applications that require high-resolution conversion of many analog signals and digital signal processing (DSP) of those signals, high-speed data communication to an external host, and ultra-low power dissipation. A wide variety of optical transceiver controller applications is supported without need of external circuitry, thereby minimizing cost and PCB area.

Power dissipation and throughput are optimized through the use of a programmable round-robin analog-to-digital converter (ADC) and 10-bit fast comparator, which operate completely independently of the core and significantly relieve core overhead. A dual multiply/accumulate (MAC) is included to minimize interrupt service timing/design complexity. Ten 16-bit PWM channels are included to provide an unprecedented level of precision in digital power-control applications.

The DS4830A provides a complete optical control, calibration, and monitor solution compatible with SFF-8472. Additional resources include a fast/accurate ADC, fast comparators with an internal comparison digital-to-analog converter (DAC), eight independent 12-bit DACs, an accurate internal temperature sensor, two fast sample/holds with various programmable options, and a multiprotocol serial master/slave interface. An independent, 400kHz-compliant, slave I2C interface with four configurable slave addresses facilitates communication to a host, in addition to password-protected in-system programming of the on-chip flash.

Extensive design-in and applications support are available, including comprehensive user’s and programmer’s guides, complete reference designs with documented code, and in-depth application notes showing numerous code examples in both C and assembly language. Firmware development is supported by third-party vendors.

Applications

* Optical Transceivers: XFP, SFP, SFP+, QSFP+, CSFP, 40G, 100G * PON Diplexers and Triplexers: GPON, 10GEPON, XPON OLT, ONU

* 16-Bit Low Power Microcontroller

* Slave Communication Interface: 400kHz without Clock Stretching I2C Compatible 2-Wire or SPI

* Master Communication Interface: 400kHz I²C-Compatible 2-Wire, SPI, or Maxim 3-Wire Laser Driver

* Pin-Compatible with DS4830

* 32KWords Flash Program Memory

* 2KWords Data RAM

* 4KWords ROM Memory

* 32-Level Stack Memory

* 2.85V to 3.63V Operating Voltage Range

* 8 Independent 12-Bit Voltage DACs with 2.5V Internal Reference or External Reference

* 10 x 16-Bit PWM Channels

* Supports 4-Channel TECC H-Bridge Control

* Boost/Buck DC-DC Control

* 1MHz Switching Frequency

* 13-Bit ADC with 26-Input Mux

* 40ksps

* Individual Channel Averaging Option

* Two Independent Sample/Holds with Individual Channel Averaging Option

* 1V Full Scale

* 300ns Sample Time

* Fast Temperature Measurement with Averaging Option

* Internal Temperature Sensor, ±2°C

* 10-Bit Fast Comparator with 16 Input Mux

* 31 GPIO Pins

* Internal 20MHz Oscillator

* Up to 133MHz External Clock for PWM and Timers

* Two 16-Bit Timers and One Programmable Watchdog Timer

* Maskable Interrupt Sources

* Fast Hardware CRC-8 for Packet Error Checking (PEC)

* I2C and JTAG Bootloader

* Four Software Interrupts

* Supply Voltage Monitor (SVM) and Brownout Monitor

* JTAG Port with In-System Debug and Programming

* Low Power Consumption (16mA) with All Analog Active

* 5mm x 5mm, 40-Pin TQFN Package

Elecena nie prowadzi sprzedaży elementów elektronicznych, ani w niej nie pośredniczy.

Produkt pochodzi z oferty sklepu