elecena.pl

16-Bit, Data-Acquisition System with ADC, DAC, UPIOs, RTC, Voltage Monitors, and Temp Sensor

Analog Devices

16-Bit, Data-Acquisition System with ADC, DAC, UPIOs, RTC, Voltage Monitors, and Temp Sensor RSS Sample
  • Darmowa próbka
MPN:
MAX11359A
Producent:
ANALOG DEVICES
Dodany do bazy:
Ostatnio widziany:

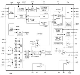
The MAX11359A smart data-acquisition systems (DAS) is based on a 16-bit, sigma-delta analog-to-digital converter (ADC) and system-support functionality for a microprocessor (µP)-based system. The device integrates an ADC, DAC, operational amplifiers, internal selectable-voltage reference, temperature sensors, analog switches, a 32kHz oscillator, a real-time clock (RTC) with alarm, a high-frequency-locked loop (FLL) clock, four user-programmable I/Os, an interrupt generator, and 1.8V and 2.7V voltage monitors in a single chip.

The MAX11359A has dual 10:1 differential input multiplexers (muxes) that accept signal levels from 0 to AVDD. An on-chip 1x to 8x programmable-gain amplifier (PGA) allows measuring low-level signals and reduces external circuitry required.

The MAX11359A operates from a single +1.8V to +3.6V supply and consumes only 1.4mA in normal mode and only 6.1µA in sleep mode. The MAX11359A has one DACs with two uncommitted op amp.

The serial interface is compatible with either SPI/QSPI™ or MICROWIRE®, and is used to power up, configure, and check the status of all functional blocks.

The MAX11359A is available in a space-saving, 40-pin TQFN package and is specified over the commercial (0°C to +70°C) and the extended (-40°C to +85°C) temperature ranges. Applications

* Battery-Powered and Portable Devices * Data-Acquisition Systems * Electrochemical and Optical Sensors * Industrial Control * Medical Instruments

* +1.8V to +3.6V Single-Supply Operation

* Multichannel 16-Bit Sigma-Delta ADC

* 10sps to 512sps Programmable Conversion Rate

* Self and System Offset and Gain Calibration

* PGA with Gains of 1, 2, 4, or 8

* Unipolar and Bipolar Modes

* 10-Input Differential Multiplexer

* 10-Bit Force-Sense DACs

* Uncommitted Op Amps

* Dual SPDT Analog Switches

* Selectable References

* 1.25V, 1.996V and 2.422V

* Internal Charge Pump

* System Support

* Real-Time Clock and Alarm Register

* Internal/External Temperature Sensor

* Internal Oscillator with Clock Output

* User-Programmable I/O and Interrupt Generator

* VDD Monitors

* SPI/QSPI/MICROWIRE, 4-Wire Serial Interface

* Space-Saving (6mm x 6mm x 0.75mm), 40-Pin TQFN Package

Elecena nie prowadzi sprzedaży elementów elektronicznych, ani w niej nie pośredniczy.

Produkt pochodzi z oferty sklepu