elecena.pl

Dual, 96Msps, 14-Bit, IF/Baseband ADC

Analog Devices

Dual, 96Msps, 14-Bit, IF/Baseband ADC RSS Sample
  • Darmowa próbka
MPN:
MAX12559
Producent:
ANALOG DEVICES
Dodany do bazy:
Ostatnio widziany:

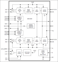
The MAX12559 is a dual, 3.3V, 14-bit analog-to-digital converter (ADC) featuring fully differential wideband track-and-hold (T/H) inputs, driving internal quantizers. The MAX12559 is optimized for low power, small size, and high dynamic performance in intermediate frequency (IF) and baseband sampling applications. This dual ADC operates from a single 3.3V supply, consuming only 980mW while delivering a typical 72.2dB signal-to-noise ratio (SNR) performance at a 175MHz input frequency. The T/H input stages accept single-ended or differential inputs up to 350MHz. In addition to low operating power, the MAX12559 features a 0.5mW power-down mode to conserve power during idle periods.

A flexible reference structure allows the MAX12559 to use the internal 2.048V bandgap reference or accept an externally applied reference and allows the reference to be shared between the two ADCs. The reference structure allows the full-scale analog input range to be adjusted from ±0.35V to ±1.15V. The MAX12559 provides a common-mode reference to simplify design and reduce external component count in differential analog input circuits.

The MAX12559 supports either a single-ended or differential input clock. User-selectable divide-by-two (DIV2) and divide-by-four (DIV4) modes allow for design flexibility and help to reduce the negative effects of clock jitter. Wide variations in the clock duty cycle are compensated with the ADC's internal duty-cycle equalizer (DCE).

The MAX12559 features two parallel, 14-bit-wide, CMOS-compatible outputs. The digital output format is pin-selectable to be either two's complement or Gray code. A separate power-supply input for the digital outputs accepts a 1.7V to 3.6V voltage for flexible interfacing with various logic levels. The MAX12559 is available in a 10mm x 10mm x 0.8mm, 68-pin thin QFN package with exposed paddle (EP), and is specified for the extended (-40°C to +85°C) temperature range.

For a 12-bit, pin-compatible version of this ADC, refer to the MAX12529 data sheet. See the Selector Guide in the full data sheet for more selections.

Applications

* Digital Set-Top Boxes

* I/Q Receivers

* IF and Baseband Communication Receivers: Cellular, LMDS, Point-to-Point Microwave, MMDS, HFC, WLAN

* Low-Power Data Acquisition

* Medical Imaging

* Portable Instrumentation

* Direct IF Sampling Up to 350MHz

* Excellent Dynamic Performance

* 73dB/72.2dB SNR at fIN = 70MHz/175MHz

* 83.5dBc/78.8dBc SFDR at fIN = 70MHz/175MHz

* 3.3V Low-Power Operation

* 980mW (Differential Clock Mode)

* 952mW (Single-Ended Clock Mode)

* Fully Differential or Single-Ended Analog Input

* Adjustable Differential Analog Input Voltage

* 750MHz Input Bandwidth

* Adjustable, Internal or External, Shared Reference

* Differential or Single-Ended Clock

* Accepts 25% to 75% Clock Duty Cycle

* User-Selectable DIV2 and DIV4 Clock Modes

* Power-Down Mode

* CMOS Outputs in Two's Complement or Gray Code

* Out-of-Range and Data-Valid Indicators

* Small, 68-Pin Thin QFN Package (10mm x 10mm x 0.8mm)

* 12-Bit, Pin-Compatible Version Available (MAX12529)

* Evaluation Kit Available (Order MAX12559EVKIT)

Elecena nie prowadzi sprzedaży elementów elektronicznych, ani w niej nie pośredniczy.

Produkt pochodzi z oferty sklepu