elecena.pl

300ksps/400ksps, Single-Supply, 4-Channel, Serial 12-Bit ADCs with Internal Reference

Analog Devices

300ksps/400ksps, Single-Supply, 4-Channel, Serial 12-Bit ADCs with Internal Reference RSS Sample
  • Darmowa próbka
MPN:
MAX1282
Producent:
ANALOG DEVICES
Dodany do bazy:
Ostatnio widziany:
Zmiana ceny:
-100% (21.01.2025)
Poprzednia cena:
12.59

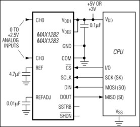
The MAX1282/MAX1283 12-bit analog-to-digital converters (ADCs) combine a 4-channel analog-input multiplexer, high-bandwidth track/hold (T/H), and serial interface with high conversion speed and low power consumption. The MAX1282 operates from a single +4.5V to +5.5V supply; the MAX1283 operates from a single +2.7V to +3.6V supply. Both devices' analog inputs are software configurable for unipolar/bipolar and single-ended/pseudo-differential operation.

The 4-wire serial interface connects directly to SPI™/QSPI™/MICROWIRE™ devices without external logic. A serial strobe output allows direct connection to TMS320-family digital signal processors. The MAX1282/MAX1283 use an external serial-interface clock to perform successive-approximation analog-to-digital conversions. The devices feature an internal +2.5V reference and a reference-buffer amplifier with a ±1.5% voltage-adjustment range. An external reference with a 1V to VDD range may also be used.

The MAX1282/MAX1283 provide a hardwired active-low SHDN pin and four software-selectable power modes (normal operation, reduced power (REDP), fast power-down (FASTPD), and full power-down (FULLPD)). These devices can be programmed to automatically shut down at the end of a conversion or to operate with reduced power. When using the power-down modes, accessing the serial interface automatically powers up the devices, and the quick turn-on time allows them to be shut down between all conversions.

The MAX1282/MAX1283 are available in 16-pin TSSOP packages.

Applications

* Battery-Powered Applications * Data Acquisition * Medical Instruments * Pen Digitizers * Portable Data Logging * Process Control

* 4-Channel Single-Ended or 2-Channel Pseudo-Differential Inputs

* Internal Multiplexer and Track/Hold

* Single-Supply Operation

* +4.5V to +5.5V (MAX1282)

* +2.7V to +3.6V (MAX1283)

* Internal +2.5V Reference

* 400kHz Sampling Rate (MAX1282)

* Low Power: 2.5mA (400ksps)

* 1.3mA (REDP)

* 0.9mA (FASTPD)

* 2µA (FULLPD)

* SPI/QSPI/MICROWIRE/TMS320-Compatible 4-Wire Serial Interface

* Software-Configurable Unipolar or Bipolar Inputs

* 16-Pin TSSOP Package

Elecena nie prowadzi sprzedaży elementów elektronicznych, ani w niej nie pośredniczy.

Produkt pochodzi z oferty sklepu