elecena.pl

36V H-Bridge Transformer Driver for Isolated Supplies

Analog Devices

36V H-Bridge Transformer Driver for Isolated Supplies RSS Sample
  • Darmowa próbka
MPN:
MAX13256
Producent:
ANALOG DEVICES
Dodany do bazy:
Ostatnio widziany:

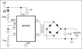
The MAX13256 H-bridge transformer driver provides a simple solution for making isolated power supplies up to 10W. The device drives a transformer's primary coil with up to 300mA of current from a wide 8V to 36V DC supply. The transformer's secondary-to-primary winding ratio defines the output voltage, allowing selection of virtually any isolated output voltage.

The device features adjustable current limiting, allowing indirect limiting of secondary-side load currents. The current limit of the MAX13256 is set by an external resistor. An active-low FAULT output asserts when the device detects an overtemperature or overcurrent condition. In addition, the device features a low-power mode to reduce the overall supply current to 0.65mA (typ) when the driver is not in use.

The device features an internal oscillator for autonomous operation and an external clock source input to synchronize multiple MAX13256 devices and precisely set the switching frequency. Internal circuitry guarantees a fixed 50% duty cycle to prevent DC current flow through the transformer, regardless of which clock source is used.

The device is available in a small 10-pin (3mm x 3mm) TDFN package and is specified over the -40°C to +125°C automotive temperature range.

Applications

* 24V PLC Supply Isolation * Isolated Fieldbus Interfaces * Medical Equipment * Motor Controls * Power Meters

* Simple, Flexible Design

* 8V to 36V Supply Range

* Up to 90% Efficiency

* Provides Up to 10W to the Transformer

* Undervoltage Lockout

* 2.5V to 5V Compatible Logic Interface

* Internal or External Clock Source

* Adjustable Overcurrent Threshold

* Integrated System Protection

* Fault Detection and Indication

* Overcurrent Limiting

* Overtemperature Protection

* Saves Space on Board

* Small 10-Pin TDFN Package (3mm x 3mm)

Elecena nie prowadzi sprzedaży elementów elektronicznych, ani w niej nie pośredniczy.

Produkt pochodzi z oferty sklepu