elecena.pl

Dual RF LDMOS Bias Controllers with I²C/SPI Interface

Analog Devices

Dual RF LDMOS Bias Controllers with I²C/SPI Interface RSS Sample
  • Darmowa próbka
MPN:
MAX1386
Producent:
ANALOG DEVICES
Dodany do bazy:
Ostatnio widziany:

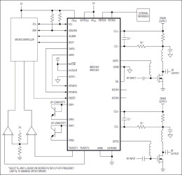
The MAX1385/MAX1386 set and control bias conditions for dual RF LDMOS power devices found in cellular base stations. Each device includes a high-side current-sense amplifier with programmable gains of 2, 10, and 25 to monitor LDMOS drain current over the 20mA to 5A range. Two external diode-connected transistors monitor LDMOS temperatures while an internal temperature sensor measures the local die temperature of the MAX1385/MAX1386. A 12-bit ADC converts the programmable- gain amplifier (PGA) outputs, external/internal temperature readings, and two auxiliary inputs.

The two gate-drive channels, each consisting of 8-bit coarse and 10-bit fine DACs and a gate-drive amplifier, generate a positive gate voltage to bias the LDMOS devices. The MAX1385 includes a gate-drive amplifier with a gain of 2 and the MAX1386 gate-drive amplifier provides a gain of 4. The 8-bit coarse and 10-bit fine DACs allow up to 18 bits of resolution. The MAX1385/MAX1386 include autocalibration features to minimize error over time, temperature, and supply voltage.

The MAX1385/MAX1386 feature an I²C/SPI™-compatible serial interface. Both devices operate from a 4.75V to 5.25V analog supply (3.2mA supply current), a 2.7V to 5.25V digital supply (3.1mA supply current), and a 4.75V to 11.0V gate-drive supply (4.5mA supply current). The MAX1385/MAX1386 are available in a 48-pin thin QFN package.

Applications

* Industrial Process Control * RF LDMOS Bias-Control in Cellular Base Stations

* Integrated High-Side Drain Current-Sense PGA with Gain of 2, 10, or 25

* ±0.5% Accuracy for Sense Voltage Between 75mV and 250mV

* Full-Scale Sense Voltage of 100mV with Gain of 25

* Full-Scale Sense Voltage of 250mV with Gain of 10

* Common-Mode Range of 5V to 30V Drain Voltage for LDMOS

* Adjustable Low Noise 0 to 5V, 0 to 10V Output Gate-Bias Voltage Ranges with ±10mA Gate Drive

* Fast Clamp to 0V for LDMOS Protection

* 8-Bit DAC Control of Gate-Bias Voltage

* 10-Bit DAC Control of Gate-Bias Offset with Temperature

* Internal Die Temperature Measurement

* External Temperature Measurement by Diode-Connected Transistor (2N3904)

* Internal 12-Bit ADC Measurement of Temperature, Current, and Voltages

* Selectable I²C-/SPI-Compatible Serial Interface

* 400kHz/1.7MHz/3.4MHz I²C-Compatible Control for Settings and Data Measurement

* 16MHz SPI-Compatible Control for Settings and Data Measurement

* Internal 2.5V Reference

* Three Address Inputs to Control Eight Devices in I²C Mode

Elecena nie prowadzi sprzedaży elementów elektronicznych, ani w niej nie pośredniczy.

Produkt pochodzi z oferty sklepu