elecena.pl

Octal, 10-Bit, 50Msps, 1.8V ADC with Serial LVDS Outputs

Analog Devices

Octal, 10-Bit, 50Msps, 1.8V ADC with Serial LVDS Outputs RSS Sample
  • Darmowa próbka
MPN:
MAX1434
Producent:
ANALOG DEVICES
Dodany do bazy:
Ostatnio widziany:
Zmiana ceny:
-100% (21.01.2025)
Poprzednia cena:
87.53

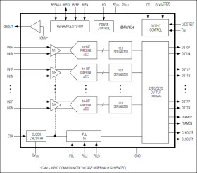
The MAX1434 octal, 10-bit analog-to-digital converter (ADC) features fully differential inputs, a pipelined architecture, and digital error correction incorporating a fully differential signal path. This ADC is optimized for low-power and high-dynamic performance in medical imaging instrumentation and digital communications applications. The MAX1434 operates from a 1.8V single supply and consumes only 767mW (96mW per channel) while delivering a 61dB (typ) signal-to-noise ratio (SNR) at a 5.3MHz input frequency. In addition to low operating power, the MAX1434 features a power-down mode for idle periods.

An internal 1.24V precision bandgap reference sets the full-scale range of the ADC. A flexible reference structure allows the use of an external reference for applications requiring increased accuracy or a different input voltage range. The reference architecture is optimized for low noise.

A single-ended clock controls the data-conversion process. An internal duty-cycle equalizer compensates for wide variations in clock duty cycle. An on-chip PLL generates the high-speed serial low-voltage differential signal (LVDS) clock.

The MAX1434 has self-aligned serial LVDS outputs for data, clock, and frame-alignment signals. The output data is presented in two's complement or binary format.

The MAX1434 offers a maximum sample rate of 50Msps. See the Pin-Compatible Versions table in the full data sheet for 12-bit versions. This device is available in a small, 14mm x 14mm x 1mm, 100-pin TQFP package with exposed pad and is specified for the extended industrial (-40°C to +85°C) temperature range.

Applications

* Instrumentation * Multichannel Communications * Ultrasound and Medical Imaging

* Excellent Dynamic Performance

* 61dB SNR at 5.3MHz

* 84dBc SFDR at 5.3MHz

* 94dB Channel Isolation

* Ultra-Low Power

* 96mW per Channel (Normal Operation)

* Serial LVDS Outputs

* Pin-Selectable LVDS/SLVS (Scalable Low-Voltage Signal) Mode

* LVDS Outputs Support Up to 30 Inches FR-4 Backplane Connections

* Test Mode for Digital Signal Integrity

* Fully Differential Analog Inputs

* Wide Differential Input Voltage Range (1.4VP-P)

* On-Chip 1.24V Precision Bandgap Reference

* Clock Duty-Cycle Equalizer

* Compact, 100-Pin TQFP Package with Exposed Pad

* Evaluation Kit Available (Order MAX1434EVKIT)

Elecena nie prowadzi sprzedaży elementów elektronicznych, ani w niej nie pośredniczy.

Produkt pochodzi z oferty sklepu