Industry's Smallest and Lowest (V) Full-Speed USB Transceivers, with Low VIO 3/5-Wire Interface
Analog Devices
RSS
Sample
- Darmowa próbka
- MPN:
- MAX14581
- Producent:
- ANALOG DEVICES
- Dodany do bazy:
- Ostatnio widziany:
Sugerowane produkty dla max14581
The MAX14581/MAX14582 USB-compliant transceivers are designed to minimize the area and external components required to interface low-voltage ASICs to USB. These devices comply with USB 2.0 specification for fullspeed-only (12Mbps) operation. The transceivers include an internal 3.3V regulator, an internal 1.5kΩ D+ pullup resistor, and built-in ±15kV ESD HBM protection circuitry to protect the USB I/O ports (D+, D-). The MAX14581/MAX14582 also have internal series resistors, allowing the devices to be wired directly to a USB connector.
These devices operate with logic-supply voltages as low as +1.2V, ensuring compatibility with low-voltage ASICs. A low-power disable mode reduces current consumption to typically less than 13µA (typ) from VBUS. An enumerate function controls the D+ pullup resistor, allowing devices to logically disconnect while remaining plugged in.
The devices have 36Ω (typ) internal series resistors on D+/D- for direct connection to the USB connector. These devices can be used as either peripheral or host (FS) USB transceivers. As a host USB transceiver, the MAX14581/MAX14582 require external 15kΩ pulldown resistors and driving ENUM logic-low.
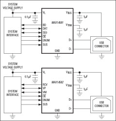
The MAX14581 (3-wire) is equipped with DAT and SE0 interface signals. The transceiver provides a USB detection function that monitors the presence of USB VBUS and signals the event by means of a BD pin.
The MAX14582 (5-wire) is equipped with VP, VM, and RCV interface signals. The detection of VBUS in the MAX14582 is encoded as VP = VM = logic-high.
These devices operate over the extended -40°C to +85°C temperature range and are available in 12-bump WLP packages.
Applications
* Ebook Readers * Portable Media Players * Smart Phones * Tablets
* Provide Flexible USB Transceiver Design
* Supports 3-Wire Interface (MAX14581)
* Supports 5-Wire Interface (MAX14582)
* USB 2.0 (Full-Speed, 12Mbps)-Compliant Transceiver
* +1.2V to +3.6V Interface Voltage (VL)
* Enumeration Input Controls D+ Pullup Resistor
* 13µA (typ) Current in Disable Mode
* Minimize PCB Area
* Internal Pullup Resistor on D+
* Internal Series Resistors
* Additional Protection Features Increase System Reliability
* Low Output Capacitance for Easy Connection to an External USB HS Transceiver in Parallel
* No Power-Supply Sequencing Required
* Ability to Accept D+/D- Voltages Up to 3.6V with VBUS = 0V
* 28V-Tolerant VBUS Pin
* Bus Detect (BD) Pin for the VBUS Detection (MAX14581 Only)
* High-ESD Protection on D+/D- and VBUS
* ±15kV HBM
Elecena nie prowadzi sprzedaży elementów elektronicznych, ani w niej nie pośredniczy.
Produkt pochodzi z oferty sklepu Analog Devices