elecena.pl

Low-Cost, Small, 4.5V to 28V Wide Operating Range, DC-DC Synchronous Buck Controller

Analog Devices

Low-Cost, Small, 4.5V to 28V Wide Operating Range, DC-DC Synchronous Buck Controller RSS Sample
  • Darmowa próbka
MPN:
MAX15026
Producent:
ANALOG DEVICES
Dodany do bazy:
Ostatnio widziany:

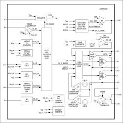
The MAX15026 synchronous step-down controller operates from a 4.5V to 28V input voltage range and generates an adjustable output voltage from 85% of the input voltage down to 0.6V while supporting loads up to 25A. The device allows monotonic startup into a prebiased bus without discharging the output and features adaptive internal digital soft-start.

The MAX15026 offers the ability to adjust the switching frequency from 200kHz to 2MHz with an external resistor. The MAX15026's adaptive synchronous rectification eliminates the need for an external freewheeling Schottky diode. The device also utilizes the external low-side MOSFET's on-resistance as a current-sense element, eliminating the need for a current-sense resistor. This protects the DC-DC components from damage during output overloaded conditions or output short-circuit faults without requiring a current-sense resistor. Hiccup-mode current limit reduces power dissipation during short-circuit conditions. The MAX15026 includes a power-good output and an enable input with precise turn-on/turn-off threshold, which can be used for input supply monitoring and for power sequencing.

Additional protection features include sink-mode current limit and thermal shutdown.

Sink-mode current limit prevents reverse inductor current from reaching dangerous levels when the device is sinking current from the output.

The MAX15026 is available in a space-saving and thermally enhanced 3mm x 3mm, 14-pin TDFN-EP package. The MAX15026 operates over the extended -40°C to +85°C and automotive -40°C to +125°C temperature ranges.

The MAX15026C is designed to provide additional margin for break-before-make times.

The MAX15026B/MAX15026C provide a soft-stop feature to ramp down the output voltage at turn-off.

Applications

* DSP Power Supplies * LCD TV Secondary Supplies * Points-of-Load Regulators * Power Modules * Set-Top Boxes * Switches/Routers

* 4.5V to 28V or 5V ±10% Input Supply Range

* 0.6V to (0.85 x VIN) Adjustable Output

* Adjustable 200kHz to 2MHz Switching Frequency

* Ability to Start into a Prebiased Load

* Lossless, Cycle-by-Cycle Valley Mode Current Limit with Adjustable, Temperature-Compensated Threshold

* Sink-Mode Current-Limit Protection

* Adaptive Internal Digital Soft-Start

* ±1% Accurate Voltage Reference

* Internal Boost Diode

* Adaptive Synchronous Rectification Eliminates External Freewheeling Schottky Diode

* Hiccup-Mode Short-Circuit Protection

* Thermal Shutdown

* Power-Good Output and Enable Input for Power Sequencing

* ±5% Accurate Enable Input Threshold

* AEC-Q100 Qualified (MAX15026B)

Elecena nie prowadzi sprzedaży elementów elektronicznych, ani w niej nie pośredniczy.

Produkt pochodzi z oferty sklepu