elecena.pl

80V, 300mW Boost Converter and Current Monitor for APD Bias Applications

Analog Devices

80V, 300mW Boost Converter and Current Monitor for APD Bias Applications RSS Sample
  • Darmowa próbka
MPN:
MAX15031
Producent:
ANALOG DEVICES
Dodany do bazy:
Ostatnio widziany:

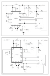
The MAX15031 consists of a constant-frequency pulse-width modulating (PWM) step-up DC-DC converter with an internal switch and a high-side current monitor with high-speed adjustable current limiting. This device can generate output voltages up to 76V and provides current monitoring up to 4mA (up to 300mW). The MAX15031 can be used for a wide variety of applications such as avalanche photodiode biasing, PIN biasing, or varactor biasing, and LCD displays. The MAX15031 operates from 2.7V to 11V.

The constant-frequency (400kHz), current-mode PWM architecture provides low-noise output voltage that is easy to filter. A high-voltage, internal power switch allows this device to boost output voltages up to 76V. Internal soft-start circuitry limits the input current when the boost converter starts. The MAX15031 features a shutdown mode to save power.

The MAX15031 includes a current monitor with more than three decades of dynamic range and monitors current ranging from 500nA to 4mA with high accuracy. Resistor-adjustable current limiting protects the APD from optical power transients. A clamp diode protects the monitor's output from overvoltage conditions. Other protection features include cycle-by-cycle current limiting of the boost converter switch, undervoltage lockout, and thermal shutdown if the die temperature reaches +160°C.

The MAX15031 is available in a thermally enhanced 4mm x 4mm, 16-pin TQFN package and operates over the -40°C to +125°C automotive temperature range.

Applications

* Avalanche Photodiode Biasing and Monitoring * FBON Modules * GPON Modules * LCD Displays * Low-Noise Varactor Diode Bias Supplies * PIN Diode Bias Supplies

* Input Voltage Range

* +2.7V to +5.5V (Using Internal Charge Pump) or

* +5.5V to +11V

* Wide Output-Voltage Range from (VIN + 1V) to 76V

* Internal 1Ω (typ) 80V Switch

* 300mW Boost Converter Output Power

* Accurate ±10% (500nA to 1mA) and ±3.5% (1mA to 4mA) High-Side Current Monitor

* Resistor-Adjustable Ultra-Fast APD Current Limit (1µs Response Time)

* Open-Drain Current-Limit Indicator Flag

* 400kHz Fixed Switching Frequency

* Constant PWM Frequency Provides Easy Filtering in Low-Noise Applications

* Internal Soft-Start

* 2µA (max) Shutdown Current

* -40°C to +125°C Temperature Range

* Small Thermally Enhanced, 4mm x 4mm, 16-Pin TQFN Package

Elecena nie prowadzi sprzedaży elementów elektronicznych, ani w niej nie pośredniczy.

Produkt pochodzi z oferty sklepu