elecena.pl

High-Voltage Multiphase Boost Controller

Analog Devices

High-Voltage Multiphase Boost Controller RSS Sample
  • Darmowa próbka
MPN:
MAX15158Z
Producent:
ANALOG DEVICES
Dodany do bazy:
Ostatnio widziany:
Zmiana ceny:
-100% (21.01.2025)
Poprzednia cena:
2.60

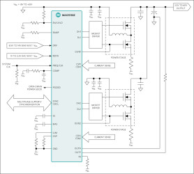
MAX15158Z is a high-voltage multiphase boost controller designed to support up to two MOSFET drivers and four external MOSFETs in single-phase or dual-phase boost/inverting-buck-boost configurations. Two devices can be stacked up for quad-phase operation. The output voltage of MAX15158Z can be dynamically set through the 1V to 2.2V reference input (REFIN) for modular design support.

The switching frequency is controlled either through an external resistor setting the internal oscillator or by synchronizing the regulator to an external clock. The device is designed to support 120kHz to 1MHz switching frequencies. The controller has a dedicated enable/input undervoltage-lockout (EN/UVLO) pin to configure for flexible power sequencing.

MAX15158Z has a dedicated RAMP pin to adjust internal slope compensation. The device features adjustable overcurrent protection. The device incorporates current sense amplifiers to accurately measure the current of each phase across external sense resistors to implement accurate phase current sharing. The controller is also protected against output overvoltage, input undervoltage and thermal shutdown.

The device is available in 5mm x 5mm, 32-pin TQFN package and supports -40°C to 125°C junction temperature range.

Applications

* Automotive * Communication * Industrial * Multiphase Boost

* Wide Operating Range

* 8V to 76V Input Voltage Range for Booost Configuration and -8V to -76V Input Voltage Range for Inverting-Buck-Boost Configuration

* 3.3V to 60V Output Voltage Range on the Top of Input Voltage

* 120kHz to 1MHz Switching Frequency Range

* -40°C to +125°C Temperature Range

* Single/Dual/Quad-Phase Operation

* Active Phase Current Balance Control

* Integration Reduces Design Footprint

* Internal LDO for Bias Supply Generation

* Multiphase Multiple Controller Synchronization and Interleave

* Output Voltage Sense Level Shifter

* Robust Fault Protection Improves Quality and Reliability

* Adjustable Input Undervoltage Lockout

* Adjustable Cycle-by-Cycle Peak Current Limit and Fast Overcurrent Protection

* Selectable Feedback Overvoltage Protection

* Thermal Shutdown

* Flexible and Simple System Design

* Adjustable Slope Compensation

* Low-Side MOSFET Gate Monitoring for Accurate Current Sensing

* Discontinuous-Conduction-Mode Operation is Supported when Using a Diode in Place of the High-Side MOSFET

* Small 5mm x 5mm TQFN Package, 0.5mm Pitch

Elecena nie prowadzi sprzedaży elementów elektronicznych, ani w niej nie pośredniczy.

Produkt pochodzi z oferty sklepu