elecena.pl

Dual Step-Down Controllers with Saturation Protection, Dynamic Output, and Linear Regulator

Analog Devices

Dual Step-Down Controllers with Saturation Protection, Dynamic Output, and Linear Regulator RSS Sample
  • Darmowa próbka
MPN:
MAX1540A
Producent:
ANALOG DEVICES
Dodany do bazy:
Ostatnio widziany:
Zmiana ceny:
-100% (21.01.2025)
Poprzednia cena:
5.74

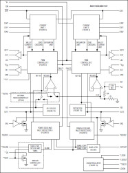
The MAX1540A/MAX1541 dual pulse-width modulation (PWM) controllers provide the high efficiency, excellent transient response, and high DC-output accuracy necessary for stepping down high-voltage batteries to generate low-voltage chipset and RAM power supplies in notebook computers.

The Maxim proprietary Quick-PWM™ controllers are free running, constant on-time with input feed forward. This configuration provides ultra-fast transient response, wide input-output (I/O) differential range, low supply current, and tight load-regulation characteristics. The controllers can accurately sense the inductor current across an external current-sense resistor in series with the output to ensure reliable overload and inductor saturation protection. Alternatively, the controllers can use the synchronous rectifier itself or lossless inductor current-sensing methods to provide overload protection with lower power dissipation.

For a single step-down PWM controller with inductor-saturation protection, external-reference input voltage, and dynamically selectable output voltages, refer to the MAX1992/MAX1993 data sheet.

Applications

* 0.7V to 5.5V Supply Rails * Active Termination Buses (MAX1541) * Core/IO Supplies as Low as 0.7V * CPU/Chipset/GPU with Dynamic Voltage Cores * DDR Memory Termination (MAX1541) * Notebook Computers * Supplies (MAX1541)

* Inductor-Saturation Protection

* Accurate Differential Current-Sense Inputs

* Dual Ultra-High-Efficiency Quick-PWMs with 100ns Load-Step Response

* MAX1540A

* 1.8V/1.2V Fixed or 0.7V to 5.5V Adjustable Output (OUT1)

* 2.5V/1.5V Fixed or 0.7V to 5.5V Adjustable Output (OUT2)

* Fixed 5V, 100mA Linear Regulator

* MAX1541

* External Reference Input (REFIN1)

* Dynamically Selectable Output Voltage—0.7V to 5.5V (OUT1)

* 2.5V/1.8V Fixed or 0.7V to 5.5V Adjustable Output (OUT2)

* Optional Power-Good and Fault Blanking During Transitions

* Fixed 5V or Adjustable 100mA Linear Regulator

* 1% VOUT Accuracy over Line and Load

* 2V to 28V Battery Input Range

* 170kHz to 620kHz Selectable Switching Frequency

* Overvoltage/Undervoltage-Protection Option

* 1.7ms Digital Soft-Start

* Drives Large Synchronous-Rectifier FETs

* 2V ±0.7% Reference Output

* Separate Power-Good Window Comparators

Elecena nie prowadzi sprzedaży elementów elektronicznych, ani w niej nie pośredniczy.

Produkt pochodzi z oferty sklepu