elecena.pl

Octal, SMBus-to-Parallel I/O Expanders

Analog Devices

Octal, SMBus-to-Parallel I/O Expanders RSS Sample
  • Darmowa próbka
MPN:
MAX1609
Producent:
ANALOG DEVICES
Dodany do bazy:
Ostatnio widziany:

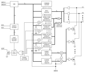
The MAX1608/MAX1609 provide remote input/output (I/O) expansion through an SMBus™ 2-wire serial interface. Each device has eight high-voltage open-drain outputs that double as TTL-level logic inputs, providing continuous bidirectional capabilities. The open-drain outputs tailor the MAX1608/MAX1609 for use in load-switching and other level-shifting applications as well as general-purpose I/O applications.

Two complete sets of registers allow the device and its outputs to be toggled between two states using the active-low SMBSUS input, without the inherent latency of reprogramming outputs over the serial bus. The eight I/O lines are continuously monitored and can be used as inputs. Each line can generate asynchronous maskable interrupts on the falling edge, the rising edge, or both edges.

For load-switching applications, the MAX1608 is designed to drive N-channel MOSFETs, and its outputs are low upon power-up; the MAX1609 is designed to drive P-channel MOSFETs, and its I/Os are high impedance upon power-up. Other features of both devices include thermal-overload and output-overcurrent protection, ultra-low supply current, and a wide +2.7V to +5.5V supply range. The MAX1608/MAX1609 are available in space-saving 16-pin QSOP packages.

Applications

* Industrial Equipment * Notebook and Desktop Computers * Notebook Docking Stations * Parallel I/O Expansion * Power-Plane Switching * Servers and Workstations

* Serial-to-Parallel or Parallel-to-Serial Conversions

* 8 General-Purpose Digital I/O Pins (withstand +28V)

* SMBus 2-Wire Serial Interface

* Supports SMBSUS-bar Asynchronous Suspend

* 9 Pin-Selectable Slave Addresses

* Outputs High Impedance on Power-Up (MAX1609)

* Outputs Low on Power-Up (MAX1608)

* 2.5µA Supply Current

* +2.7V to +5.5V Supply Range

* 16-Pin QSOP Package

Elecena nie prowadzi sprzedaży elementów elektronicznych, ani w niej nie pośredniczy.

Produkt pochodzi z oferty sklepu