elecena.pl

Advanced Chemistry-Independent, Level 2 Battery Charger with Input Current Limiting

Analog Devices

Advanced Chemistry-Independent, Level 2 Battery Charger with Input Current Limiting RSS Sample
  • Darmowa próbka
MPN:
MAX1645B
Producent:
ANALOG DEVICES
Dodany do bazy:
Ostatnio widziany:

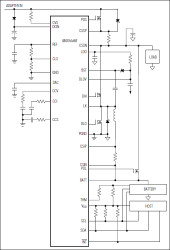
The MAX1645B is a high-efficiency battery charger capable of charging batteries of any chemistry type. It uses the Intel System Management Bus (SMBus™) to control voltage and current-charge outputs.

When charging lithium-ion (Li+) batteries, the MAX1645B automatically transitions from regulating current to regulating voltage. The MAX1645B can also limit line input current so as not to exceed a predetermined current drawn from the DC source. A 175s charge safety timer prevents "runaway charging" should the MAX1645B stop receiving charging voltage/current commands.

The MAX1645B employs a next-generation synchronous buck control circuitry that lowers the minimum input-to-output voltage drop by allowing the duty cycle to exceed 99%. The MAX1645B can easily charge one to four series Li+ cells.

Applications

* Notebook Computers * Personal Digital Assistants * Point-of-Sale Terminals

* Input Current Limiting

* 175s Charge Safety Timeout

* 128mA Wake-Up Charge

* Charges Any Chemistry Battery: Li+, NiCd, NiMH, Lead Acid, etc.

* Intel SMBus 2-Wire Serial Interface

* Compliant with Level 2 Smart Battery Charger Spec Rev 1.0

* +8V to +28V Input Voltage Range

* Up to 18.4V Battery Voltage

* 11-Bit Battery Voltage Setting

* ±0.8% Output Voltage Accuracy with Internal Reference

* 3A (max) Battery Charge Current

* 6-Bit Charge-Current Setting

* 99.99% (max) Duty Cycle for Low-Dropout Operation

* Load/Source Switchover Drivers

* >97% Efficiency

Elecena nie prowadzi sprzedaży elementów elektronicznych, ani w niej nie pośredniczy.

Produkt pochodzi z oferty sklepu