elecena.pl

Automotive TFT-LCD Power Supply with Boost, Buck, and Cuk Converters, VCOM Buffers, Gate Drivers, and SPI Interface

Analog Devices

Automotive TFT-LCD Power Supply with Boost, Buck, and Cuk Converters, VCOM Buffers, Gate Drivers, and SPI Interface RSS Sample
  • Darmowa próbka
MPN:
MAX16927
Producent:
ANALOG DEVICES
Dodany do bazy:
Ostatnio widziany:

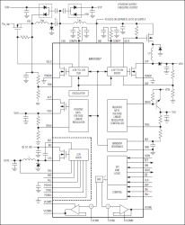
The MAX16927 is a highly integrated power supply for automotive TFT-LCD applications. The device integrates one buck converter, one boost converter, one Cuk converter, two gate-voltage controllers, and two VCOM buffers, one of which supports negative output voltages. The device is designed to operate from a supply voltage between 4.5V and 16V, making it ideal for automotive TFT-LCD applications. Alternatively, the device can operate from an available 3V to 5.5V supply.

The device uses an integrated SPI interface for control and diagnostics. The SPI interface adjusts the VCOM buffer output through an internal 7-bit DAC up to +1V. The startup and shutdown sequences can be controlled through SPI or using one of the three preset stand-alone modes.

The device is optimized for low EMI. Peak interference is reduced by using the spread-spectrum feature. Spread-spectrum is always enabled for the buck converter but enabled through an external input (SSEN) for the boost and Cuk converters. Additional EMI enhancement is achieved by running the boost and Cuk converters 180 degrees out-of-phase.

The device includes a control output for an nMOS switch to enable flexible sequencing of the negative VSL output. A drive output is also included for a series pMOS switch for the boost converter allowing True Shutdown™.

The device is available in a 48-lead TQFN package with an exposed pad, and operates over the -40°C to +105°C temperature range.

Applications

* Automotive Central Information Displays * Automotive Dashboards * Automotive Navigation Systems

* Operating Voltage Range of 4.5V to 16V (IN3) or 3V to 5.5V (INA)

* 16V Input, 2A Buck Converter Provides 3.3V Output to TFT Bias-Supply Circuitry and/or Other External Circuitry

* Flexible Configuration Allows Single High-Power Positive Output (18V/200mA) or Positive Output (18V, 100mA) and Negative Output (-12V/100mA)

* One Positive Gate-Voltage Regulator

* One Negative Gate-Voltage Controller

* DAC-Controlled VCOM Buffers with Offset of 0V to 1V

* High-Frequency Operation

* 2.1MHz (Buck Converter)

* 1.2MHz (Boost and Cuk Converters)

* Converters Run Out-of-Phase for Lower EMI

* Externally Controlled Spread-Spectrum Switching for Boost and Cuk

* Very Flexible Sequencing in Both Stand-Alone and SPI-Controlled Modes

* True Shutdown Boost Converter

* Low-Current Shutdown Mode (< 10µA)

* SPI Control Interface

* Internal Soft-Start

* Overtemperature Shutdown

* -40°C to +105°C Operation

* AEC-Q100 Qualified

Elecena nie prowadzi sprzedaży elementów elektronicznych, ani w niej nie pośredniczy.

Produkt pochodzi z oferty sklepu