elecena.pl

Automotive TFT-LCD Power Supply with Boost Converter and Gate Voltage Regulators

Analog Devices

Automotive TFT-LCD Power Supply with Boost Converter and Gate Voltage Regulators RSS Sample
  • Darmowa próbka
MPN:
MAX16929
Producent:
ANALOG DEVICES
Dodany do bazy:
Ostatnio widziany:
Zmiana ceny:
-100% (19.01.2025)
Poprzednia cena:
3.41

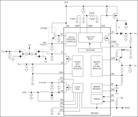
The MAX16929 is a highly integrated power supply for automotive TFT-LCD applications. The device integrates one buck converter, one boost converter, one 1.8V/3.3V regulator controller, and two gate voltage regulators. The device comes in several versions to satisfy common automotive power-supply requirements (see the Ordering Information/Selector Guide table in the full data sheet).

Designed to operate from a single 4V to 28V supply or 5.5V to 28V supply, the device is ideal for automotive TFT-LCD applications. Both the buck and boost converters use spread-spectrum modulation to reduce peak interference and to optimize EMI performance.

The sequencing input (SEQ) allows flexible sequencing of the positive-gate and negative-gate voltage regulators. The power-good indicator (PGOOD) indicates a failure on any of the converters or regulator outputs. Integrated thermal shutdown circuitry protects the device from overheating.

The MAX16929 is available in a 28-pin TSSOP package with exposed pad, and operates over the -40°C to +105°C temperature range.

Applications

* Automotive Central Information Displays * Automotive Dashboards * Automotive Navigation Systems

* Operating Voltage Range of 4V to 28V (Buck) or 3V to 5.5V (Boost)

* Independent 28V Input Buck Converter Powers TFT Bias Supply Circuitry and External Circuitry

* High-Power (Up to 6W) Boost Output Providing Up to 18V

* 1.8V or 3.3V Regulator Provides 500mA with External npn Transistor

* One Positive-Gate Voltage Regulator Capable of Delivering 20mA at 28V

* One Negative-Gate Voltage Regulator

* High-Frequency Operation

* 2.1MHz (Buck Converter)

* 2.2MHz (Boost Converter)

* Flexible Stand-Alone Sequencing

* True Shutdown™ Boost Converter

* 6μA Low-Current Shutdown Mode (Buck)

* Internal Soft-Start

* Overtemperature Shutdown

* -40°C to +105°C Operation

Elecena nie prowadzi sprzedaży elementów elektronicznych, ani w niej nie pośredniczy.

Produkt pochodzi z oferty sklepu