elecena.pl

Internal-Switch Boost Regulator with Integrated 7-Channel Driver, VCOM Calibrator, Op Amp, and LDO

Analog Devices

Internal-Switch Boost Regulator with Integrated 7-Channel Driver, VCOM Calibrator, Op Amp, and LDO RSS Sample
  • Darmowa próbka
MPN:
MAX17094
Producent:
ANALOG DEVICES
Dodany do bazy:
Ostatnio widziany:

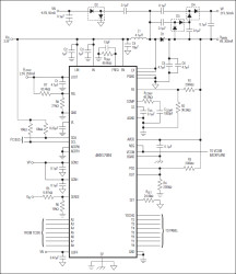
The MAX17094 includes a high-performance step-up regulator, a 250mA low-dropout (LDO) linear regulator, a high-speed operational amplifier, a digitally adjustable VCOM calibration device with nonvolatile memory and I²C interface, and seven integrated high-voltage level shifters. The device is optimized for thin-film transistor (TFT) liquid-crystal display (LCD) applications.

The step-up DC-DC converter is a current-mode regulator that provides the regulated supply voltage for panel source driver ICs. The current-mode architecture provides fast-transient responses to pulsed loads typical of source driver loads. The high switching frequency, which is programmable to any frequency between 450kHz to 1.2MHz with a single resistor, allows the use of ultra-small inductors and ceramic capacitors. The step-up regulator’s soft-start time is controlled by an internal 10ms digital timer that requires no external components; or if desired, the soft-start time can be adjusted by adding a single external capacitor.

The low-voltage LDO linear regulator can provide at least 250mA. The output voltage is accurate within ±2%.

The high-voltage, level-shifting scan driver is designed to work with panels that incorporate row drivers on the panel glass. Its seven outputs swing from +30V to -10V and can swiftly drive capacitive loads.

The high-performance op amp is designed to drive the LCD backplane and features 20MHz bandwidth, 45V/µs slew rate, and 150mA output currents.

The programmable VCOM calibrator is externally attached to the VCOM amplifier’s resistive voltage-divider and sinks a programmable current to adjust the VCOM voltage level. An internal 7-bit digital-to-analog converter (DAC) controls the sink current. The DAC is ratiometric relative to AVDD and is guaranteed monotonic over all operating conditions. The calibrator includes a nonvolatile memory device (IVR) to store the desired VCOM voltage level. The 2-wire I²C interface simplifies production equipment.

The MAX17094 is available in a 48-pin, 6mm x 6mm TQFN package with a maximum thickness of 0.8mm for thin LCD panels.

Applications

* Notebook Computer Displays

* 1.8V to 5.5V IN Supply Voltage Range

* 450kHz to 1.2MHz Adjustable Frequency Current-Mode Step-Up Regulator

* Fast-Transient Response

* Integrated 14V, 2.5A, 150mΩ MOSFET

* High Efficiency (> 85%)

* Low-Dropout Linear Regulator

* High-Accuracy Output Voltage (2.0%)

* Internal Digital Soft-Start

* High-Performance Operational Amplifier

* 200mA Output Short-Circuit Current

* 45V/µs Slew Rate

* 20MHz, -3dB Bandwidth

* Rail-to-Rail Inputs and Outputs

* High-Voltage Drivers

* +30V to -10V Outputs

* I²C Programmable VCOM Calibrator

* 7-Bit Adjustable Current-Sink Output

* Nonvolatile IVR Memory

* Thermal-Overload Protection

Elecena nie prowadzi sprzedaży elementów elektronicznych, ani w niej nie pośredniczy.

Produkt pochodzi z oferty sklepu