elecena.pl

500mA, Low-Dropout, Ripple-Rejecting LDO in µMAX

Analog Devices

500mA, Low-Dropout, Ripple-Rejecting LDO in µMAX RSS Sample
  • Darmowa próbka
MPN:
MAX1857
Producent:
ANALOG DEVICES
Dodany do bazy:
Ostatnio widziany:
Zmiana ceny:
-100% (18.01.2025)
Poprzednia cena:
1.28

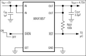
The MAX1857 low-dropout linear regulator operates from a +2.5V to +5.5V supply and delivers a guaranteed 500mA load current with low 120mV dropout. The high-accuracy (±1%) output voltage is preset at an internally trimmed 4.75V or can be adjusted from 1.25V to 5.0V with an external resistive divider.

An internal PMOS pass transistor allows the low 135µA supply current to remain independent of load, making this device ideal for portable battery-operated equipment such as personal digital assistants (PDAs), cellular phones, cordless phones, base stations, and notebook computers.

Other features include an active-low open-drain reset output with a 4.5ms timeout period that indicates when the output is out of regulation, a 0.1µA shutdown mode, short-circuit protection, and thermal shutdown protection. The device is available in a miniature 8-pin µMAX package. For higher power applications, refer to the MAX1792 and MAX1793 data sheets.

Applications

* Cell Phones/Cordless Phones * Docking Stations * Notebook Computers * Palmtop Computers * PDAs * USB Hubs * Wireless Base Stations

* Guaranteed 500mA Output Current

* Low 120mV Dropout at 500mA

* Up to ±1% Output Voltage Accuracy

* Preset at 4.75V

* Adjustable from 1.25V to 5.0V

* Reset Output with 4.5ms Timeout Period

* Low 135µA Ground Current

* 0.1µA Shutdown Current

* Thermal Overload Protection

* Output Current Limit

* Tiny µMAX Package

Elecena nie prowadzi sprzedaży elementów elektronicznych, ani w niej nie pośredniczy.

Produkt pochodzi z oferty sklepu