elecena.pl

Low-Cost Integrated Offset Logic for Notebook CPU Power Supplies

Analog Devices

Low-Cost Integrated Offset Logic for Notebook CPU Power Supplies RSS Sample
  • Darmowa próbka
MPN:
MAX1888
Producent:
ANALOG DEVICES
Dodany do bazy:
Ostatnio widziany:

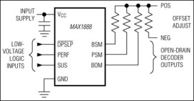
The MAX1888 is a three-input decoder with three open-drain outputs. It is used with the MAX1718 or a similar DC-to-DC controller to offset the CPU core voltage in notebook computers. Designed to interface with low- voltage logic, the MAX1888 can program the controller for three independent offsets. The circuit is extremely low cost and is available in an 8-pin µMAX package.

Applications

* CPU Core Supplies for IMVP-II Notebook Computers

Elecena nie prowadzi sprzedaży elementów elektronicznych, ani w niej nie pośredniczy.

Produkt pochodzi z oferty sklepu