elecena.pl

Quad, Ultra-Low-Power, 200Mbps ATE Drivers/Comparators

Analog Devices

Quad, Ultra-Low-Power, 200Mbps ATE Drivers/Comparators RSS Sample
  • Darmowa próbka
MPN:
MAX19005
Producent:
ANALOG DEVICES
Dodany do bazy:
Ostatnio widziany:
Zmiana ceny:
-100% (19.01.2025)
Poprzednia cena:
38.28

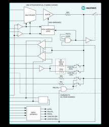
The MAX19005 four-channel, ultra-low-power, pin-electronics IC includes a two-level pin driver, a window comparator, a passive load, and force-and-sense Kelvin-switched parametric measurement unit (PMU) connections for each channel. The driver features a -1V to +5.2V voltage range, includes high-impedance modes, and is highly linear even at low voltage swings. The window comparator features 240MHz equivalent input bandwidth and programmable output voltage levels. The passive load provides pullup and pulldown voltages to the device-under-test (DUT).

Low leakage and high impedance are operational configurations that are programmed through a 3-wire, low-voltage, CMOS-compatible serial interface. High-speed PMU switching is realized through dedicated digital control inputs.

This device is available in an 80-pin, 12mm x 12mm body, 0.5mm pitch TQFP with an exposed 6mm × 6mm die pad on the bottom of the package for efficient heat removal. The device is specified to operate over the 0°C to +70°C commercial temperature range and features a die temperature monitor output.

Applications

* Active Burn-In Systems * DRAM Probe Testers * Low-Cost Mixed-Signal/System-on-Chip (SoC) Testers * NAND Flash Testers * Structural Testers

* Small Footprint: Four Channels in 0.3in²

* Low-Power Dissipation: 340mW/Channel (typ)

* High Speed: 200Mbps at 3VP-P

* -1V to +5.2V Operating Range

* Integrated Pin Switch (with -1V to +24V Off Range)

* Integrated PMU Switches with -1V to +24V Operating Range

* Passive Load

* Low-Leakage Mode by Pin Switch Off: 10nA (max)

* Low Gain and Offset Error

Elecena nie prowadzi sprzedaży elementów elektronicznych, ani w niej nie pośredniczy.

Produkt pochodzi z oferty sklepu