elecena.pl

7.5Msps, Ultra-Low-Power Analog Front-End

Analog Devices

7.5Msps, Ultra-Low-Power Analog Front-End RSS Sample
  • Darmowa próbka
MPN:
MAX19700
Producent:
ANALOG DEVICES
Dodany do bazy:
Ostatnio widziany:

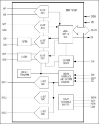
The MAX19700 is an ultra-low-power, mixed-signal analog front-end (AFE) designed for TD-SCDMA handsets and data cards. Optimized for high dynamic performance at ultra-low power, the MAX19700 integrates a dual 10-bit, 7.5Msps receive (Rx) ADC, dual 10-bit, 7.5Msps transmit (Tx) DAC with TD-SCDMA baseband filters, and three fast-settling 12-bit aux-DAC channels for ancillary RF front-end control. The typical operating power in Tx-Rx FAST mode is 36.3mW at a 5.12Msps clock frequency.

The Rx ADCs feature 54.9dB SINAD and 78dBc SFDR at a 1.87MHz input frequency with a 7.5Msps sample frequency. The analog I/Q input amplifiers are fully differential and accept 1.024VP-P full-scale signals. Typical I/Q channel matching is ±0.22° phase and ±0.02dB gain.

The Tx DACs with TD-SCDMA lowpass filters feature -3dB cutoff frequency of 1.27MHz and >55dB stopband rejection at fIMAGE = 4.32MHz. The analog I/Q full-scale output voltage range is selectable at ±410mV or ±500mV. The output common-mode voltage is selectable from 0.9V to 1.4V and the I/Q channel offset is adjustable. The typical I/Q channel matching is ±0.05dB gain and ±0.16° phase.

The Rx ADC and Tx DAC share a single, 10-bit parallel, high-speed digital bus allowing half-duplex operation for time-division duplex (TDD) applications. A 3-wire serial interface controls power-management modes and the aux-DAC channels.

The MAX19700 operates on a single +2.7V to +3.3V analog supply and +1.8V to +3.3V digital I/O supply. The MAX19700 is specified for the extended (-40°C to +85°C) temperature range and is available in a 48-pin, thin QFN package.

Applications

* Portable Communications Equipment

* TD-SCDMA Data Cards

* TD-SCDMA Handsets

* Dual 10-Bit Rx ADC and Dual 10-Bit Tx DAC

* Ultra-Low Power

* 36.3mW at fCLK = 5.12Msps, Fast Mode

* 19.8mW at fCLK = 5.12Msps, Slow Mode

* Low Standby and Shutdown Current

* Integrated TD-SCDMA Filters with >55dB Stopband Rejection

* Excellent Dynamic Performance

* SINAD = 54.9dB at fIN = 1.87MHz (Rx ADC)

* SFDR = 76.5dBc at fOUT = 620kHz (Tx DAC)

* Excellent Gain/Phase Match

* ±0.22° Phase, ±0.02dB Gain (Rx ADC) at fIN = 1.87MHz at -0.5dBFS

* Three 12-Bit, 1µs Aux-DACs

* Single-Supply Operation

* Multiplexed Parallel Digital I/O

* Serial-Interface Control

* Versatile Power-Control Circuits

* Shutdown, Standby, Idle, Tx-Rx Disable

* Miniature 48-Pin Thin QFN Package (7mm x 7mm x 0.8mm)

Elecena nie prowadzi sprzedaży elementów elektronicznych, ani w niej nie pośredniczy.

Produkt pochodzi z oferty sklepu