elecena.pl

10-Bit, 22Msps, Ultra-Low-Power Analog Front-End

Analog Devices

10-Bit, 22Msps, Ultra-Low-Power Analog Front-End RSS Sample
  • Darmowa próbka
MPN:
MAX19706
Producent:
ANALOG DEVICES
Dodany do bazy:
Ostatnio widziany:

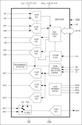
The MAX19706 is an ultra-low-power, mixed-signal analog front-end (AFE) designed for power-sensitive communication equipment. Optimized for high dynamic performance at ultra-low power, the device integrates a dual, 10-bit, 22Msps receive (Rx) ADC; dual, 10-bit, 22Msps transmit (Tx) DAC; three fast-settling 12-bit aux-DAC channels for ancillary RF front-end control; and a 10-bit, 333ksps housekeeping aux-ADC. The typical operating power in Tx-Rx FAST mode is 49.5mW at a 22MHz clock frequency.

The Rx ADCs feature 54.6dB SNR and 75.6dBc SFDR at a 5.5MHz input frequency with a 22MHz clock frequency. The analog I/Q input amplifiers are fully differential and accept 1.024VP-P full-scale signals. Typical I/Q channel matching is ±0.12° phase and ±0.01dB gain.

The Tx DACs feature 72.6dBc SFDR at fOUT = 2.2MHz and fCLK = 22MHz. The analog I/Q full-scale output voltage is ±400mV differential. The Tx DAC common-mode DC level is programmable from 0.9V to 1.35V. The I/Q channel offset is adjustable. The typical I/Q channel matching is ±0.02dB gain and ±0.1° phase.

The Rx ADC and Tx DAC share a single, 10-bit parallel, high-speed digital bus allowing half-duplex operation for time-division duplex (TDD) applications. A 3-wire serial interface controls power-management modes, the aux-DAC channels, and the aux-ADC channels.

The MAX19706 operates on a single +2.7V to +3.3V analog supply and +1.8V to +3.3V digital I/O supply. The MAX19706 is specified for the extended (-40°C to +85°C) temperature range and is available in a 48-pin, thin QFN package.

Applications

* 802.11a/b/g WLAN

* Portable Communication Equipment

* VoIP Terminals

* WiMAX™ and WiBro™ CPEs

* Dual, 10-Bit, 22Msps Rx ADC and Dual, 10-Bit, 22Msps Tx DAC

* Ultra-Low Power

* 49.5mW at fCLK = 22MHz, Fast Mode

* 39.3mW at fCLK = 22MHz, Slow Mode

* Low-Current Standby and Shutdown Modes

* Programmable Tx DAC Common-Mode DC Level and I/Q Offset Trim

* Excellent Dynamic Performance

* SNR = 54.6dB at fIN = 5.5MHz (Rx ADC)

* SFDR = 72.6dBc at fOUT = 2.2MHz (Tx DAC)

* Three 12-Bit, 1µs Aux-DACs

* 10-Bit, 333ksps Aux-ADC with 4:1 Input Mux and Data Averaging Mode

* Excellent Gain/Phase Match

* ±0.12° Phase, ±0.01dB Gain (Rx ADC) at fIN = 5.5MHz

* Multiplexed Parallel Digital I/O

* Serial-Interface Control

* Versatile Power-Control Circuits

* Shutdown, Standby, Idle, Tx/Rx Disable

* Miniature 48-Pin Thin QFN Package (7mm x 7mm x 0.8mm)

Elecena nie prowadzi sprzedaży elementów elektronicznych, ani w niej nie pośredniczy.

Produkt pochodzi z oferty sklepu