elecena.pl

Dual, SiGe, High-Linearity, 1200MHz to 1700MHz Downconversion Mixer with LO Buffer/Switch

Analog Devices

Dual, SiGe, High-Linearity, 1200MHz to 1700MHz Downconversion Mixer with LO Buffer/Switch RSS Sample
  • Darmowa próbka
MPN:
MAX19993
Producent:
ANALOG DEVICES
Dodany do bazy:
Ostatnio widziany:

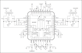
The MAX19993 dual-channel downconverter is designed to provide 6.4dB of conversion gain, +27dBm input IP3, 15.4dBm 1dB input compression point, and a noise figure of 9.8dB for 1200MHz to 1700MHz diversity receiver applications. With an optimized LO frequency range of 1000MHz to 1560MHz, this mixer is ideal for low-side LO injection architectures. High-side LO injection is supported by the MAX19993A, which is pin-pin and functionally compatible with the MAX19993.

In addition to offering excellent linearity and noise performance, the MAX19993 also yields a high level of component integration. This device includes two double-balanced passive mixer cores, two LO buffers, a dual-input LO selectable switch, and a pair of differential IF output amplifiers. Integrated on-chip baluns allow for single-ended RF and LO inputs. The device requires a nominal LO drive of 0dBm and a typical supply current of 337mA at VCC = +5.0V or 275mA at VCC = +3.3V.

The MAX19993 is pin compatible with the MAX9985/MAX19985A/MAX9995/MAX19993A/MAX19994/MAX19994A/ MAX19995/MAX19995A series of 700MHz to 2200MHz mixers and pin similar to the MAX19997A/MAX19999 series of 1850MHz to 4000MHz mixers, making this entire family of downconverters ideal for applications where a common PCB layout is used across multiple frequency bands.

The device is available in a 6mm × 6mm, 36-pin TQFN package with an exposed pad. Electrical performance is guaranteed over the extended temperature range, from TC = -40°C to +85°C.

Applications

* Fixed Broadband Wireless Access * Military Systems * Private Mobile Radios * WCDMA/LTE Base Stations * Wireless Local Loop

* 1200MHz to 1700MHz RF Frequency Range

* 1000MHz to 1560MHz LO Frequency Range

* 50MHz to 500MHz IF Frequency Range

* 6.4dB Typical Conversion Gain

* 9.8dB Typical Noise Figure

* +27dBm Typical Input IP3

* 15.4dBm Typical Input 1dB Compression Point

* 72dBc Typical 2RF - 2LO Spurious Rejection at PRF = -10dBm

* Dual Channels Ideal for Diversity Receiver Applications

* 47dB Typical Channel-to-Channel Isolation

* Low -6dBm to +3dBm LO Drive

* Integrated LO Buffer

* Internal RF and LO Baluns for Single-Ended Inputs

* Built-In SPDT LO Switch with 57dB LO-to-LO Isolation and 50ns Switching Time

* Pin Compatible with the MAX9985/MAX19985A/MAX9995/MAX19993A/MAX19994/MAX19994A/MAX19995/MAX19995A Series of 700MHz to 2200MHz Mixers

* Pin Similar to the MAX19997A/MAX19999 Series of 1850MHz to 4000MHz Mixers

* Single +5V or +3.3V Supply

* External Current-Setting Resistors Provide Option for Operating Device in Reduced-Power/Reduced-Performance Mode

Elecena nie prowadzi sprzedaży elementów elektronicznych, ani w niej nie pośredniczy.

Produkt pochodzi z oferty sklepu