elecena.pl

Dual, SiGe High-Linearity, High-Gain, 1800MHz to 2900MHz Downconversion Mixer with LO Buffer/Switch

Analog Devices

Dual, SiGe High-Linearity, High-Gain, 1800MHz to 2900MHz Downconversion Mixer with LO Buffer/Switch RSS Sample
  • Darmowa próbka
MPN:
MAX19997A
Producent:
ANALOG DEVICES
Dodany do bazy:
Ostatnio widziany:
Zmiana ceny:
-100% (19.01.2025)
Poprzednia cena:
15.01

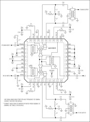
The MAX19997A dual downconversion mixer is a versatile, highly integrated diversity downconverter that provides high linearity and low noise figure for a multitude of 1800MHz to 2900MHz base-station applications. The MAX19997A fully supports both low- and high-side LO injection architectures for the 2300MHz to 2900MHz WiMAX™, LTE, WCS, and MMDS bands, providing 8.7dB gain, +24dBm input IP3, and 10.3dB NF in the low-side configuration, and 8.7dB gain, +24dBm input IP3, and 10.4dB NF in the high-side configuration. High-side LO injection architectures can be further extended down to 1800MHz with the addition of one tuning element (a shunt inductor) on each RF port.

The device integrates baluns in the RF and LO ports, an LO buffer, two double-balanced mixers, and a pair of differential IF output amplifiers. The MAX19997A requires a typical LO drive of 0dBm and a supply current guaranteed below 420mA to achieve the targeted linearity performance.

The MAX19997A is available in a compact 6mm x 6mm, 36-pin thin QFN lead-free package with an exposed pad. Electrical performance is guaranteed over the extended temperature range, from TC = -40°C to +100°C.

Applications

* 2.3GHz WCS Base Stations * 2.5GHz WiMAX and LTE Base Stations * 2.7GHz MMDS Base Stations * Fixed Broadband Wireless Access * Military Systems * PCS1900 and EDGE Base Stations * PHS/PAS Base Stations * Private Mobile Radios * UMTS/WCDMA and cdma2000® 3G Base Stations * Wireless Local Loop

* 1800MHz to 2900MHz RF Frequency Range

* 1950MHz to 3400MHz LO Frequency Range

* 50MHz to 550MHz IF Frequency Range

* Supports Both Low-Side and High-Side LO Injection

* 8.7dB Conversion Gain

* +24dBm Input IP3

* 10.3dB Noise Figure

* +11.3dBm Input 1dB Compression Point

* 70dBc Typical 2 x 2 Spurious Rejection at PRF = -10dBm

* Dual Channels Ideal for Diversity Receiver Applications

* Integrated LO Buffer

* Integrated LO and RF Baluns for Single-Ended Inputs

* Low -3dBm to +3dBm LO Drive

* Pin Compatible with the MAX19999 3000MHz to 4000MHz Mixer

* Pin Similar to the MAX9995 and MAX19995/MAX19995A 1700MHz to 2200MHz Mixers and the MAX9985 and MAX19985A 700MHz to 1000MHz Mixers

* 42dB Channel-to-Channel Isolation

* Single 5.0V or 3.3V Supply

* External Current-Setting Resistors Provide Option for Operating Device in Reduced-Power/Reduced-Performance Mode

Elecena nie prowadzi sprzedaży elementów elektronicznych, ani w niej nie pośredniczy.

Produkt pochodzi z oferty sklepu