Dual, SiGe, High-Linearity, 1700MHz to 2200MHz Downconversion Mixer with LO Buffer/Switch
Analog Devices
RSS
Sample
- Darmowa próbka
- MPN:
- MAX19995
- Producent:
- ANALOG DEVICES
- Dodany do bazy:
- Ostatnio widziany:
Sugerowane produkty dla max19995
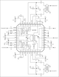
The MAX19995 dual-channel downconverter provides 9dB of conversion gain, +24.8dBm input IP3, +13.3dBm 1dB input compression point, and a noise figure as low as 9dB for 1700MHz to 2200MHz diversity receiver applications. With an optimized LO frequency range of 1400MHz to 2000MHz, this mixer is ideal for low-side LO injection architectures. High-side LO injection is supported by the MAX19995A, which is pin-pin and functionally compatible with the MAX19995.
In addition to offering excellent linearity and noise performance, the MAX19995 also yields a high level of component integration. This device includes two double-balanced passive mixer cores, two LO buffers, a dual-input LO selectable switch, and a pair of differential IF output amplifiers. Integrated on-chip baluns allow for single-ended RF and LO inputs. The MAX19995 requires a nominal LO drive of 0dBm and a typical supply current of 297mA at VCC = 5.0V or 212mA at VCC = 3.3V.
The MAX19995/MAX19995A are pin compatible with the MAX19985/MAX19985A series of 700MHz to 1000MHz mixers and pin similar with the MAX19997A/MAX19999 series of 1800MHz to 4000MHz mixers, making this entire family of downconverters ideal for applications where a common PCB layout is used across multiple frequency bands.
The MAX19995 is available in a 6mm x 6mm, 36-pin thin QFN package with an exposed pad. Electrical performance is guaranteed over the extended temperature range, from TC = -40°C to +85°C.
Applications
* cdma2000® Base Stations * DCS1800 and EDGE Base Stations * Fixed Broadband Wireless Access * Military Systems * PCS1900 and EDGE Base Stations * PHS/PAS Base Stations * Private Mobile Radios * UMTS/WCDMA/LTE Base Stations * Wireless Local Loop
* 1700MHz to 2200MHz RF Frequency Range
* 1400MHz to 2000MHz LO Frequency Range
* 1750MHz to 2700MHz LO Frequency Range (MAX19995A)
* 50MHz to 500MHz IF Frequency Range
* 9dB Typical Conversion Gain
* 9dB Typical Noise Figure
* +24.8dBm Typical Input IP3
* +13.3dBm Typical Input 1dB Compression Point
* 79dBc Typical 2RF-2LO Spurious Rejection at PRF = -10dBm
* Dual Channels Ideal for Diversity Receiver Applications
* 49dB Typical Channel-to-Channel Isolation
* Low -3dBm to +3dBm LO Drive
* Integrated LO Buffer
* Internal RF and LO Baluns for Single-Ended Inputs
* Built-In SPDT LO Switch with 56dB LO-to-LO Isolation and 50ns Switching Time
* Pin Compatible with the MAX19985/MAX19985A/MAX19995A Series of 700MHz to 2200MHz Mixers
* Pin Similar to the MAX19997A/MAX19999 Series of 1800MHz to 4000MHz Mixers
* Single +5.0V or +3.3V Supply
* External Current-Setting Resistors Provide Option for Operating Device in Reduced-Power/Reduced-Performance Mode
Elecena nie prowadzi sprzedaży elementów elektronicznych, ani w niej nie pośredniczy.
Produkt pochodzi z oferty sklepu Analog Devices