elecena.pl

Automotive Quad, Low-Voltage Step-Down DC-DC Converters

Analog Devices

Automotive Quad, Low-Voltage Step-Down DC-DC Converters RSS Sample
  • Darmowa próbka
MPN:
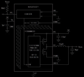
MAX20021
Producent:
ANALOG DEVICES
Dodany do bazy:
Ostatnio widziany:
Zmiana ceny:
-100% (16.01.2025)
Poprzednia cena:
1.84

The MAX20021/MAX20022 power-management ICs (PMICs) integrate four low-voltage, high-efficiency, step-down DC-DC converters. Each of the four outputs is factory or resistor programmable between 1.0V to 4.0V and can deliver up to 1.0A of current. The PMICs operate from 3.0V to 5.5V, making them ideal for automotive point-of-load and post-regulation applications.

The PMICs feature fixed-frequency, PWM-mode operation with a switching frequency of 2.2MHz or 3.2MHz. High-frequency operation allows for an all-ceramic capacitor design and small-size external components. The low-resistance, on-chip switches ensure high efficiency at heavy loads while minimizing critical inductances, making the layout a much simpler task with respect to discrete solutions. Internal current sensing and loop compensation reduce board space and system cost.

The PMICs offer a spread-spectrum option to reduce radiated emissions. Two of the four buck converters operate 180° out-of-phase with the internal clock. This feature reduces the necessary input capacitance and improves EMI as well. All four buck converters operate in constant-PWM mode outside the AM band. The PMICs offer a SYNC input to synchronize to an external clock.

The PMICs provide individual enable inputs and power-good/reset outputs, as well as factory-programmable active-low RESET times.

The PMICs offer several important protection features including: input overvoltage protection, input undervoltage monitoring, input undervoltage lockout, cycle-by-cycle current limiting, and overtemperature shutdown. The input undervoltage monitor indicates a brownout condition by driving PG low when the input falls below the UVM threshold.

The MAX20021/MAX20022 PMICs are available in a 28-pin TQFN package with an exposed pad and are specified for operation over the -40°C to +125°C automotive temperature range.

Applications

* Automotive

* Industrial

* Quad Step-Down DC-DC Converters with Integrated FETs

* Operate from 3.0V to 5.5V Supply Voltage

* 1.0V to 4.0V Fixed or Adjustable Output Voltage

* 2.2MHz (MAX20022) or 3.2MHz (MAX20021) Switching Frequency

* Four Channels Capable of Delivering up to 1A Each

* Designed to Improve Automotive EMI Performance

* Forced-PWM Operation

* Two Channels 180° Out-of-Phase

* SYNC Input

* Spread-Spectrum Option

* Soft-Start and Supply Sequencing Reduces Inrush Current

* Individual Enable Inputs and Power-Good Outputs to Simplify Sequencing

* OV/UV Input-Voltage Monitoring

* Overtemperature and Short-Circuit Protection

* 28-Pin (5mm × 5mm × 0.8mm) TQFN-EP Package

* -40°C to +125°C Operating Temperature Range

Elecena nie prowadzi sprzedaży elementów elektronicznych, ani w niej nie pośredniczy.

Produkt pochodzi z oferty sklepu