elecena.pl

Dual Buck, Sync Boost and LDO–Complete Front-End Power Supply with 17μA I

Analog Devices

Dual Buck, Sync Boost and LDO–Complete Front-End Power Supply with 17μA I RSS Sample
  • Darmowa próbka
MPN:
MAX20031
Producent:
ANALOG DEVICES
Dodany do bazy:
Ostatnio widziany:
Zmiana ceny:
-100% (20.01.2025)
Poprzednia cena:
2.97

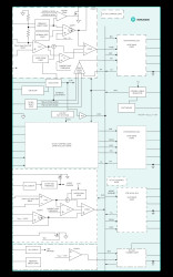
The MAX20030/MAX20031 ICs are automotive 2.2MHz dual-synchronous step-down controllers with preboost controller and low-IQ LDO. The preboost controller enables VOUT1 and VOUT2 to stay in regulation during cold-crank operation all the way down to battery input of 2V. The ICs offer two high-voltage synchronous step-down controllers that operate 180 degrees out of phase. This device operates with an input-voltage supply from 3.5V to 42V and can operate in dropout conditions by running at 97% duty cycle. It is intended for applications with mid- to high-power requirements that operate at a wide input voltage range, such as during automotive cold-crank or engine stop-start conditions.

The step-down controllers operate at a frequency of up to 2.2MHz to allow small external components, reduced output ripple, and to guarantee no AM band interference. The switching frequency is resistor-adjustable (220kHz to 2200kHz). SYNC input programmability enables three frequency modes for optimized performance: forced fixed-frequency operation, skip mode with ultra-low quiescent current, and synchronization to an external clock. The ICs have a spread-spectrum pin for frequency modulation to minimize EMI interference.

The ICs will be offered with a synchronous step-up controller. This preboost circuitry turns on during low input-voltage conditions, and is designed to provide power to step-down controller channels with input voltages as low at 2V.

The ICs feature a power-OK monitor and overvoltage and undervoltage lockout. Protection features include cycle-by-cycle current limit and thermal shutdown. The MAX20030/MAX20031 are specified for operation over the -40°C to +125°C automotive temperature range.

Applications

* Distributed DC Power Systems * Instrument Cluster * Navigation and Radio Head Units

* Meets Stringent OEM Module Power Consumption and Performance Specifications

* 17µA IQ with 3.3V Buck on

* 25µA IQ with 5V Buck on

* 25µA IQ with LDO on

* 65µA IQ with All Controllers Enabled

* Enables Crank-Ready Designs

* Synchronous Boost Converter for High-Current Capability and Efficiency

* EMI Reduction Features Reduce Interference with Sensitive Radio Bands without Sacrificing Wide Input Voltage Range

* 50ns (typ) Minimum On-Time Guarantees Skip-Free Operation for 3.3V Output from Car Battery at 2.2MHz

* Forced Fixed-Frequency PWM Operation

* Resistor-Programmable Frequency Between 220kHz and 2.2MHz

* Pin-Selectable Spread Spectrum

* Integration and Thermally Enhanced Packages Save Board Space and Cost

* Dual 2.2MHz Step-Down Controller with Synchronous Boost Controller and HV 200mA LDO

* Current-Mode Controller with Forced-Fixed Frequency and Skip Modes

* Thermally Enhanced 7mm x 7mm, 48-Pin TQFN Packages with Exposed Pad

* Protection Features Improve System Reliability

* Supply Overvoltage and Undervoltage Lockout

* Overtemperature and Short-Circuit Protections

Elecena nie prowadzi sprzedaży elementów elektronicznych, ani w niej nie pośredniczy.

Produkt pochodzi z oferty sklepu