elecena.pl

1700MHz to 3000MHz High-Linearity, Low LO Leakage Base-Station Rx/Tx Mixer

Analog Devices

1700MHz to 3000MHz High-Linearity, Low LO Leakage Base-Station Rx/Tx Mixer RSS Sample
  • Darmowa próbka
MPN:
MAX2043
Producent:
ANALOG DEVICES
Dodany do bazy:
Ostatnio widziany:

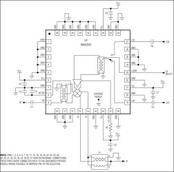
The MAX2043 high-linearity passive upconverter or downconverter mixer is designed to provide approximately +31dBm of IIP3, +67dBc of LO ± 2IF spurious rejection, 7.8dB of noise figure, 7.5dB of conversion loss, and -52dBm of LO leakage for UMTS/WCDMA, DCS, PCS, and WiMAX base-station applications. With a 1700MHz to 3000MHz RF frequency range and a 1900MHz to 3000MHz LO frequency range, this mixer is ideal for high-side LO injection architectures.

In addition to offering excellent linearity and noise performance, the MAX2043 also yields a high level of component integration. The MAX2043 integrates baluns in the RF and LO ports, a dual-input LO-selectable switch, an LO buffer, and a double-balanced mixer. The on-chip baluns allow for a single-ended RF input for downconversion (or RF output for upconversion), and single-ended LO inputs. The MAX2043 requires a typical 0dBm LO drive, and supply current is rated at a typical 108mA level. The IF port is DC-coupled, making it ideal for direct conversion or modulation. As an upconverter, the device has low output noise floor of less than -160dBc/Hz (-160dBm/Hz when transmitting 0dBm linear RF power).

The MAX2043 is available in a 36-pin thin QFN package (6mm x 6mm) with an exposed paddle. Electrical performance is guaranteed over the extended -40°C to +85°C temperature range.

Applications

* cdmaOne™ and cdma2000® Base Stations * DCS 1800 and EDGE Base Stations * Digital and Spread-Spectrum Communication Systems * Microwave Links * PCS 1900 and EDGE Base Stations * Point-to-Point Microwave Systems * Private Mobile Radio * UMTS/WCDMA and 3G Base Stations * WiMAX™ Base Stations and Customer Premise Equipment * Wireless Local Loop

Elecena nie prowadzi sprzedaży elementów elektronicznych, ani w niej nie pośredniczy.

Produkt pochodzi z oferty sklepu