elecena.pl

800MHz to 1000MHz Variable-Gain Amplifier with Analog Gain Control

Analog Devices

800MHz to 1000MHz Variable-Gain Amplifier with Analog Gain Control RSS Sample
  • Darmowa próbka
MPN:
MAX2056
Producent:
ANALOG DEVICES
Dodany do bazy:
Ostatnio widziany:

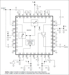
The MAX2056 general-purpose, high-performance variable-gain amplifier (VGA) is designed to operate in the 800MHz to 1000MHz frequency range†. This device features 15.5dB of gain, 4.5dB of noise figure, and an output 1dB compression point of 23.5dBm. The MAX2056 also provides an exceptionally high OIP3 level of 39dBm, which is maintained over the entire attenuation range. In addition, the on-chip analog attenuators yield infinite control and high attenuation accuracy over selectable 22dB or 44dB control ranges. Each of these features makes the MAX2056 an ideal VGA for cellular band GSM, cdma2000, W-CDMA, and iDEN® transmitter and power amplifier AGC circuits.

The MAX2056 is pin compatible with the MAX2057 1700MHz to 2500MHz VGA, making this family of amplifiers ideal for applications where a common PC board layout is used for both frequency bands.

The MAX2056 operates from a single +5V supply and is available in a compact 36-pin thin QFN package (6mm x 6mm x 0.8mm) with an exposed pad. Electrical performance is guaranteed over the extended -40°C to +85°C temperature range.

Applications

* ±10V from +5V Logic Supply * Automated Test Equipment (ATE) * Broadband Systems * Cellular cdmaOne™, cdma2000®, and Integrated Digital Enhanced Network Base-Station Transmitter * Digital and Spread-Spectrum Communication Systems * GSM 850/GSM 900 2G and 2.5G EDGE Base-Station Transmitters and Power Amplifiers * Microwave Terrestrial Links * Receiver Gain Control * Transmitter Gain Control * WCDMA 850MHz and Other 3G Base-Station Transmitters and Power Amplifiers

Elecena nie prowadzi sprzedaży elementów elektronicznych, ani w niej nie pośredniczy.

Produkt pochodzi z oferty sklepu