elecena.pl

50MHz to 1000MHz High-Linearity, Serial/Analog-Controlled VGA

Analog Devices

50MHz to 1000MHz High-Linearity, Serial/Analog-Controlled VGA RSS Sample
  • Darmowa próbka
MPN:
MAX2067
Producent:
ANALOG DEVICES
Dodany do bazy:
Ostatnio widziany:
Zmiana ceny:
-100% (20.01.2025)
Poprzednia cena:
10.02

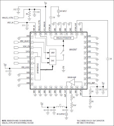
The MAX2067 high-linearity analog variable-gain amplifier (VGA) is a monolithic SiGe BiCMOS attenuator and amplifier designed to interface with 50Ω systems operating in the 50MHz to 1000MHz frequency range (see the Typical Application Circuit in the full data sheet). The analog attenuator is controlled using an external voltage or through the SPI™-compatible interface using an on-chip 8-bit DAC.

Because each stage has its own RF input and RF output, this component can be configured to either optimize NF (amplifier configured first), or OIP3 (amplifier last). The device's performance features include 22dB amplifier gain (amplifier only), 4dB NF at maximum gain (includes attenuator insertion loss), and a high OIP3 level of +43dBm. Each of these features makes the MAX2067 an ideal VGA for numerous receiver and transmitter applications.

In addition, the MAX2067 operates from a single +5V supply with full performance, or a single +3.3V supply with slightly reduced performance, and has an adjustable bias to trade current consumption for linearity performance. This device is available in a compact 40-pin thin QFN package (6mm x 6mm) with an exposed pad. Electrical performance is guaranteed over the extended temperature range (TC = -40°C to +85°C).

Applications

* Cable Modem Termination Systems (CMTS) * Cellular Band WCDMA and cdma2000® Base Stations * Fixed Broadband Wireless Access * GSM 850/GSM 900 EDGE Base Stations * IF and RF Gain Stages * Military Systems * RFID Handheld and Portal Readers * Temperature Compensation Circuits * Video-on-Demand (VOD) and DOCSIS&reg-Compliant EDGE QAM Modulation * WiMAX and LTE Base Stations and Customer Premise Equipment * Wireless Local Loop

* 50MHz to 1000MHz RF Frequency Range

* Pin-Compatible Family Includes

* MAX2065 (Analog/Digital VGA)

* MAX2066 (Digital VGA)

* +21.9dB (typ) Maximum Gain

* 0.5dB Gain Flatness Over 100MHz Bandwidth

* 31dB Gain Range

* Built-In DAC for Analog Attenuation Control

* Excellent Linearity (Configured with Amplifier Last)

* +43dBm OIP3

* +66dBm OIP2

* +19dBm Output 1dB Compression Point

* -70dBc HD2

* -87dBc HD3

* 4dB Typical Noise Figure (NF)

* Single +5V Supply (Optional +3.3V Operation)

* External Current-Setting Resistors Provide Option for Operating Device in Reduced-Power/Reduced-Performance Mode

Elecena nie prowadzi sprzedaży elementów elektronicznych, ani w niej nie pośredniczy.

Produkt pochodzi z oferty sklepu