elecena.pl

Octal-Channel Ultrasound Front-End with CW Doppler Mixers

Analog Devices

Octal-Channel Ultrasound Front-End with CW Doppler Mixers RSS Sample
  • Darmowa próbka
MPN:
MAX2078
Producent:
ANALOG DEVICES
Dodany do bazy:
Ostatnio widziany:

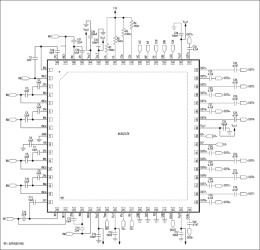
The MAX2078 octal-channel ultrasound front-end is a fully integrated bipolar, high-density octal-channel ultrasound receiver optimized for low cost, high-channel count, high-performance portable and cart-based ultrasound systems. The easy-to-use IC allows the user to achieve high-end 2D, PW, and CW Doppler (CWD) imaging capability using substantially less space and power. The highly compact imaging receiver lineup, including low-noise amplifier (LNA), variable-gain amplifier (VGA), and anti-alias filter (AAF), achieves an ultra-low 2.4dB noise figure at RS = RIN = 200Ω at a very low 64.8mW per channel power dissipation. The full imaging receiver channel has been optimized for second-harmonic imaging with -64dBFS second-harmonic distortion performance with a 1VP-P 5MHz output signal. The bipolar front-end has also been optimized for excellent low-velocity PW and color-flow Doppler sensitivity with an exceptional near-carrier SNR of 140dBc/Hz at 1kHz offset from a 5MHz 1VP-P output clutter signal.

A fully integrated high-performance, programmable CWD beamformer is also included. Separate I/Q mixers for each channel are available for optimal CWD sensitivity in high-clutter environments, yielding an impressive near-carrier SNR of 154dBc/Hz at 1kHz offset from a 1.25MHz 200mVP-P input clutter signal.

The MAX2078 octal-channel ultrasound front-end is available in a small 10mm x 10mm, 68-pin thin QFN package with an exposed pad and is specified over a 0°C to +70°C temperature range.

Applications

* Medical Ultrasound Imaging * Sonar

* 8 Full Channels of LNA, VGA, AAF, and CWD Mixers in a Small, 10mm x 10mm TQFN Package

* Pin Compatible with MAX2077 with LNA, VGA, and AAF in 10mm x 10mm TQFN Variant

* Ultra-Low Full-Channel Noise Figure of 2.4dB at RIN = RS = 200Ω

* Low Output-Referred Noise of 23nV/ at 5MHz, 20dB Gain, Yielding a Broadband SNR of 68dB** for Excellent Second-Harmonic Imaging

* High Near-Carrier SNR of 140dBc/Hz at 1kHz Offset from a 5MHz, 1VP-P Output Signal, and 20dB of Gain for Excellent Low-Velocity PW and Color-Flow Doppler Sensitivity in a High-Clutter Environment

* Ultra-Low-Power 64.8mW per Full-Channel (LNA, VGA, and AAF) Normal Imaging Mode (234mW per Channel in CWD Mode)

* Selectable Active Input-Impedance Matching of 50Ω, 100Ω, 200Ω, and 1kΩ

* Wide Input-Voltage Range of 330mVP-P in High LNA Gain Mode and 550mVP-P in Low LNA Gain Mode

* Integrated Selectable 3-Pole 9MHz, 10MHz, 15MHz, and 18MHz Butterworth AAF

* Fast-Recovery, Low-Power Modes (< 2µs)

* Fully Integrated, High Dynamic Range CWD Beamformer with Near-Carrier SNR of 154dBc/Hz at 1kHz Offset from a 1.25MHz, 200mVP-P Input Clutter Signal

Elecena nie prowadzi sprzedaży elementów elektronicznych, ani w niej nie pośredniczy.

Produkt pochodzi z oferty sklepu