elecena.pl

Wideband I/Q Modulator with Sigma-Delta Fractional-N Synthesizer

Analog Devices

Wideband I/Q Modulator with Sigma-Delta Fractional-N Synthesizer RSS Sample
  • Darmowa próbka
MPN:
MAX2150
Producent:
ANALOG DEVICES
Dodany do bazy:
Ostatnio widziany:
Zmiana ceny:
-100% (18.01.2025)
Poprzednia cena:
11.92

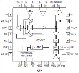
The MAX2150 is a complete wideband direct upconversion quadrature modulator IC incorporating a 28-bit sigma-delta fractional-N synthesizer. The device is targeted for applications in the 700MHz to 2300MHz frequency range.

The super-high-resolution sigma-delta fractional-N synthesizer is capable of better than 50mHz resolution when used with a 10MHz reference. Other features: fully differential I/Q modulation inputs, an internal LO buffer, and a 50Ω wideband output driver amplifier.

A standard 3-wire interface is provided for synthesizer programming and overall device configuration. An on-chip low-noise crystal oscillator amplifier is also included and can be configured as a buffer when an external reference oscillator is used.

The device typically achieves 34dBc of carrier and sideband suppression at a -1dBm output level. The wideband, internally matched RF output can also be disabled while the synthesizer and 3-wire bus remain powered up for continuous programming.

The device consumes 72mA from a single +3.0V supply and is packaged in an ultra-compact 28-pin QFN package (5mm x 5mm) with an exposed pad.

Applications

* LMDS * Satellite Uplink * Wireless Base Stations * Wireless Broadband

* Single Voltage Supply (2.7V to 3.6V)

* 75MHz 3dB I/Q Input Bandwidth

* Wideband 50Ω RF Output: 700MHz to 2300MHz

* Ultra-Fine Frequency Resolution: 100mHz

* High Reference Frequency for Fast-Switching Applications

* Ultra-Low Phase Noise

* Low Spurious and Reference Emissions

* -1dBm RMS Output Power

* 60dB RF Muting Control

* 34dBc Typical Carrier Suppression

* 34dBc Typical Sideband Suppression

* Software- and Hardware-Controlled Shutdown Modes

Elecena nie prowadzi sprzedaży elementów elektronicznych, ani w niej nie pośredniczy.

Produkt pochodzi z oferty sklepu