elecena.pl

36V, 3.5A Brushed Motor Driver with Integrated Current Sense

Analog Devices

36V, 3.5A Brushed Motor Driver with Integrated Current Sense RSS Sample
  • Darmowa próbka
MPN:
MAX22207
Producent:
ANALOG DEVICES
Dodany do bazy:
Ostatnio widziany:
Zmiana ceny:
-100% (20.01.2025)
Poprzednia cena:
0.80

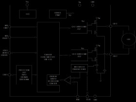
The MAX22201/MAX22202/MAX22207 integrate one 36V, 3.5A peak full bridge capable of driving one brushed DC motor. The full bridge features very low impedance FETs with a typical RON (high side + low side) of 0.3Ω resulting in high driving efficiency. The peak current rating of 3.5A is limited by the overcurrent protection threshold (OCP). The peak current is defined as the maximum current the driver can provide for short transients. The maximum RMS current is 2A and is typically limited by thermal considerations. The 2ARMS capability refers to a standard JEDEC 4-layer board at 25°C ambient temperature. The real operating maximum current depends on the application thermal characteristic (PCB ground planes, heat sinks, ventilation, etc.).

The MAX22201/MAX22202/MAX22207 feature a non-dissipative and accurate integrated current sensing (ICS) and an embedded internal current drive regulation (CDR) circuit to monitor the current through a motor coil and limit the peak output current. When the motor current exceeds the current limit threshold, the full bridge enters a decay mode for a fixed off time (tOFF). For brushed motor drive applications, the current drive regulation guarantees safe and reliable operation of the driver under normal conditions or during motor startup and stall conditions, and also reduces system power and supply bypassing requirements. A scaled copy of the internally sensed current is output to an external pin (ISEN). For more information on these features, refer to the Detailed Description.

All versions feature overcurrent protection (OCP), thermal shutdown (TSD), and undervoltage lockout (UVLO). An open-drain active-low fault indication pin (FAULT) is activated every time a fault condition is detected.

The device is packaged into a tiny TDFN12 3mm x 3mm package. The small package footprint, the extremely high efficiency and the integrated accurate current sensing make the MAX22201/MAX22202/MAX22207 an excellent choice for space- and power-sensitive applications.

Applications

* Brushed DC Motor Drive

* Latched Valves and Solenoids

* Stepper Motor Drive (One Phase Only)

* One Full H-Bridge with +36V Voltage Rating

* Total RDS(ON) (High Side + Low Side): 300mΩ (typ) (TA = +25°C)

* Current Ratings (+25°C typ)

* IPEAK = 3.5A

* IRMS = 2A

* Configurable Current Drive Regulation (CDR) for Limiting Stall and Inrush Current

* Configurable Off Time (tOFF) for CDR (MAX22201 only)

* Lossless Integrated Current Sensing (ICS) Eliminates External Bulky Resistors and Saves Power

* Current Sense Output (CSO) Function: A Replica of the Internally Sensed Current is Output on the ISEN Pin

* Current Drive Regulation Monitor (CDROUT) (MAX22207 only)

* Fault Indicator pin (FAULT)

* Fully Integrated Charge Pump

* Protections

* Overcurrent Protection for Each Individual Channel (OCP)

* Undervoltage Lockout (UVLO)

* Thermal Shutdown (TSD) T = +165°C

* ESD Protection 8kV HBM (OUT1 and OUT2 Pins)

* Ultra-Small Package TDFN12 3mm x 3mm

Elecena nie prowadzi sprzedaży elementów elektronicznych, ani w niej nie pośredniczy.

Produkt pochodzi z oferty sklepu