elecena.pl

Automotive IR LED/VCSEL Driver for Driver Monitoring Systems

Analog Devices

Automotive IR LED/VCSEL Driver for Driver Monitoring Systems RSS Sample
  • Darmowa próbka
MPN:
MAX25614A
Producent:
ANALOG DEVICES
Dodany do bazy:
Ostatnio widziany:
Zmiana ceny:
-100% (18.01.2025)
Poprzednia cena:
4.14

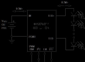
The MAX25614 is a high-current IR LED/VCSEL driver for automotive driver monitoring systems (DMS). This IC can drive IR LED/VCSEL strings of up to 35V from a 4.5V to 36V input supply. The MAX25614 can drive up to 10A peak current to the IR emitter. It is designed for applications where the IR emitter is pulsed on and off, typically at 60Hz or the shutter speed of the corresponding image sensor. The MAX25614 uses fixed-frequency, average current-mode control with programmable switching frequency options of 420kHz, 1MHz, 1.6MHz, and 2.1MHz. Both an inrush current-limiting pFET and a low-side switching nFET are integrated.

The MAX25614 incorporates an I2C serial interface for communication with an external microcontroller. I2C programming options include: LED current amplitude, LED current slew rate, boost converter output voltage, boost converter input current, switching frequency, maximum LED current, and maximum LED on-time. Additionally, the MAX25614 provides fault and diagnostic information through the I2C interface. Analog-controlled variants are available as well, and are described in the MAX25614C/MAX25614D data sheet.

A dedicated current-monitoring circuit is integrated to provide LED current information to the microcontroller. The MAX25614 has an open-drain fault output that asserts low in case of open LED, LED overcurrent, excessive LED on-time, LEDN short to battery, boost UV/OV, inrush current-limiting pFET timeout, or thermal warning/shutdown. The MAX25614 is available in a 28-pin, side-wettable TQFN package with exposed pad and is specified for operation over the -40°C to +125°C automotive temperature range.

Applications

* Automotive Driver Monitoring System (DMS) * Automotive Occupant Monitoring System (OMS) * Night Vision * Optical Inspection/Machine Vision

* Integration Minimizes BOM and PCB Area

* Integrated Switching nFET * Integrated pFET with Inrush Current Limit * I2C Programming Controls

* Comprehensive Fault Protection Including Eye Safety

* LED Current Monitoring, Overcurrent Protection * LED Short-to-Ground/Battery Protection * LED Open Protection * Boost Under/Overvoltage Protection * Thermal Warning and Shutdown

* EMI Mitigation

* Spread-Spectrum Frequency Modulation * Programmable LED Current Slew Rate

* Automotive Ready

* -40°C to +125°C Operating Temperature Range * AEC-Q100 Grade 1 and ASIL B Compliant

Elecena nie prowadzi sprzedaży elementów elektronicznych, ani w niej nie pośredniczy.

Produkt pochodzi z oferty sklepu