elecena.pl

3.5GHz Downconverter Mixers with Selectable LO Doubler

Analog Devices

3.5GHz Downconverter Mixers with Selectable LO Doubler RSS Sample
  • Darmowa próbka
MPN:
MAX2683
Producent:
ANALOG DEVICES
Dodany do bazy:
Ostatnio widziany:

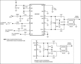
The MAX2683/MAX2684 are super-high-performance, low-cost downconverter mixers intended for wireless local loop (WLL) and digital microwave radio (DMR) applications in the 3.4GHz to 3.8GHz frequency band. The MAX2683 is optimized for downconversion to IF frequencies between 100MHz and 400MHz, and allows both high-side and low-side local oscillator (LO) injection. The MAX2684 is optimized for IF frequencies between 800MHz and 1000MHz, and allows low-side LO injection. A logic-level control enables an internal frequency doubler on both devices, allowing the external LO source to run at full or half frequency. An internal LO filter reduces LO harmonics and spurious mixing.

The MAX2683/MAX2684 feature an externally adjustable bias control, set with a single resistor, that lets the user trade supply current for linearity to optimize system performance. These devices use a double-balanced Gilbert-cell architecture with single-ended RF and LO inputs and differential open-collector IF output ports. Differential IF ports provide a wideband, flexible interface for either single-ended or differential applications.

The MAX2683/MAX2684 operate from a single +2.7V to +5.5V supply. The devices are packaged in an ultra-small 16-pin TSSOP-EP package with an exposed paddle for optimum performance at 3.5GHz.

Applications

* Digital Microwave Radios * Wireless Broadband Access * Wireless Local Loop (WLL)

* 3.4GHz to 3.8GHz RF Frequency Range

* 100MHz to 400MHz IF Frequency Range (MAX2683)

* 800MHz to 1000MHz IF Frequency Range (MAX2684)

* Logic-Enabled LO Frequency Doubler

* Conversion Gain

* +6.7dB (MAX2683)

* +1dB (MAX2684)

* Programmable IIP3

* +7dBm to +11dBm (MAX2683)

* +8dBm to +12dBm (MAX2684)

* +2.7V to +5.5V Single-Supply Operation

* Ultra-Small 16-Pin TSSOP-EP Package

Elecena nie prowadzi sprzedaży elementów elektronicznych, ani w niej nie pośredniczy.

Produkt pochodzi z oferty sklepu