elecena.pl

PMBus 12-Channel Voltage Monitor and Sequencer

Analog Devices

PMBus 12-Channel Voltage Monitor and Sequencer RSS Sample
  • Darmowa próbka
MPN:
MAX34460
Producent:
ANALOG DEVICES
Dodany do bazy:
Ostatnio widziany:
Zmiana ceny:
-100% (17.01.2025)
Poprzednia cena:
5.14

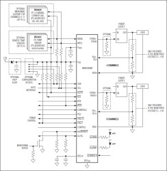
The MAX34460 is a system monitor that is capable of managing up to 12 power supplies. The power-supply manager monitors the power-supply output voltages and constantly checks for user-programmable overvoltage and undervoltage thresholds. If a fault is detected, the device automatically shuts down the system in an orderly fashion. The device can sequence the supplies in any order at both power-up and power-down. With the addition of external current DACs, the device has the ability to close-loop margin the power-supply output voltages up or down to a user-programmable level. The device contains an internal temperature sensor and can support up to four external remote temperature sensors. Once configured, the device can operate autonomously without any host intervention.

Applications

* Base Stations * Network Switches/Routers * Servers * Smart Grid Network Systems

* 12 Channels of Power-Supply Management

* Power-Supply Voltage Measurement and Monitoring

* Fast Minimum/Maximum Threshold Excursion Detection

* Remote Ground Sensing Improves Measurement Accuracy

* Automatic Closed-Loop Margining

* Programmable Up and Down Time-Based or Event-Based Sequencing

* Supports Dual-Sequencing Groups

* Supports Up to Five Temperature Sensors (One Internal/Four Remote)

* Fault Detection on All Temperature Sensors

* Programmable Alarm Outputs

* Reports Peak and Average Levels for a Number of Parameters

* Watchdog Timer Function

* PMBus™-Compliant Command Interface

* I²C/SMBus-Compatible Serial Bus with Bus Timeout Function

* On-Board Nonvolatile Black Box Fault Logging and Default Configuration Setting

* Expandable Channel Operation with Parallel Devices

* Up to 20 GPOs

* No External Clocking Required

* 3.0V to 3.6V Supply Voltage

Elecena nie prowadzi sprzedaży elementów elektronicznych, ani w niej nie pośredniczy.

Produkt pochodzi z oferty sklepu