12V/5V Hot-Plug Switch
Analog Devices
RSS
Sample
- Darmowa próbka
- MPN:
- MAX34561
- Producent:
- ANALOG DEVICES
- Dodany do bazy:
- Ostatnio widziany:
- Zmiana ceny:
- -100% (18.01.2025)
- Poprzednia cena:
- 2.75
Sugerowane produkty dla ds4560
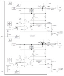
The MAX34561 is a dual fully integrated, self-protected, resettable hot-plug switch. This device reduces the number of components required for the safe insertion and removal of cards on powered 12V and 5V backplanes. To minimize solution size and simplify design, the device integrates two complete hot-switch controllers into a single package, providing complete control of two power sources. The 12V source has a 68mΩ n-channel power MOSFET for the 12V load, and the 5V source has a 43mΩ n-channel power MOSFET for the 5V load, thus eliminating the need for external MOSFETs and separate controllers. Designed for use in systems that need to limit through current on both 12V and 5V rails, the device is ideal for hot-swap applications such as enterprise-class hard drives, servers/routers, PCI Express® (PCIe®) and InfiniBand™ applications, and base stations.
Offering rugged protection, the integrated power MOSFETs can power a load from a 9V to 13.2V source with up to 2.0A of continuous current and similarly on the 5V side powering a load from a 4V to 5.5V source with up to 2.0A of continuous current. The power MOSFETs are actively closed-loop controlled to ensure that an adjustable current limit is not exceeded when power is applied. The device controls the rate at which voltage is applied and it unconditionally clamps the output voltage to keep input-overvoltage stresses from harming the load. The device provides separate adjustable power-up timers for each load that cause the device to wait for a predetermined delay time before starting to apply power to the loads. Alternatively, the device can be driven with digital logic signals to implement an externally controlled power-enable function.
The device contains integrated temperature sensors with hysteresis for each power MOSFET. If operating conditions cause either power MOSFET to exceed an internal thermal limit, one of two actions is taken depending on the pin selection; either the power MOSFET is unconditionally shut down and latches off while awaiting a power-on reset or the power MOSFET waits until the device has cooled by the hysteresis amount and then restarts.
Applications
* Base Stations * InfiniBand * PCI/PCI Express * RAID/Hard Drives * Servers/Routers
* Completely Integrated Hot-Plug Functionality for +12V and +5V Power Rails
* Dual Version of the DS4560
* On-Board Power MOSFETs (68mΩ and 43mΩ)
* No High-Power RSENSE Resistors Needed
* Adjustable Current Limits
* Adjustable Output-Voltage Slew Rates
* Adjustable Power-Up Enable Timing
* Output Overvoltage Limiting
* On-Board Thermal Protection
* On-Board Charge Pump
* User-Selectable Latchoff or Automatic Retry Operation
Elecena nie prowadzi sprzedaży elementów elektronicznych, ani w niej nie pośredniczy.
Produkt pochodzi z oferty sklepu Analog Devices